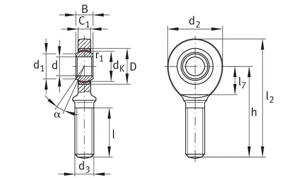
Kloubová hlava – typ GAR..UK
Parametry produktu
Tento produkt má několik variant. Vyberte prosím konkrétní variantu z tabulky níže.
Dostupné varianty produktu
| Produkt | Košík | Cena | dkdk | αß | Závit | Značka | Jednotka | Výrobce | l2Délka | Provedení | Těsnění | d2Šířka | l7Délka L7 | Druh závitu | Vnější Ø | Úhel okraje | Délka otvoru | Směr závitu | Délka závitu | Povrch úprava | d3Samec závit | Celková délka | Průměr otvoru | lDélka šroubu | Průměr závitu | Č. originální | C1Výška, pouzdro | Základní nostnost | dVnitřní průměr | Vnější průměr hlavy | Vnější průměr kuličky | Vnější průměr ložiska | Základní nostnost dyn. Cr | Základní únosnost dyn. C | BVýška, vnitřní kroužek | DVnější průměr, ložisko | Základní únosnost stat. Co | Šířka hlavy (délka otvoru) | Vhodné pro originální číslo | Základní osové zatížení dynamické | d1Vnější průměr, vnitřní kroužek | hVzdálenost, základ střední hřídel | Základní radiální únosnost statická |
|---|---|---|---|---|---|---|---|---|---|---|---|---|---|---|---|---|---|---|---|---|---|---|---|---|---|---|---|---|---|---|---|---|---|---|---|---|---|---|---|---|---|---|---|
Hlava ojnice
GAR10UKINA
|
675,72 Kč
558,45 Kč bez DPH
|
16 mm | 12 ° | Pravé BSP | INA | Kus | Schaeffler | 62.5 mm | Samec závit | Ne | 29 mm | 15 mm | Metrický | 29 mm | 12 ° | 9 mm | Vpravo | 26 mm | Pozinkovaná | M10 | 62,5 mm | 10 mm | 26 mm | M10 | GAR10-UK | 7 mm | 20,6 kN | 10 mm | 29 mm | 16 mm | 19 mm | 8,65 kN | 8640 N | 9 mm | 19 mm | 20600 N | 7 mm | GAR10-UK | 8640 N | 13.2 mm | 48 mm | 20600 N | |
Hlava ojnice
GAR12UKINA
|
767,26 Kč
634,10 Kč bez DPH
|
18 mm | 11 ° | Pravé BSP | INA | Kus | Schaeffler | 71 mm | Samec závit | Ne | 34 mm | 18 mm | Metrický | 34 mm | 11 ° | 10 mm | Vpravo | 28 mm | Pozinkovaná | M12 | 71 mm | 12 mm | 28 mm | M12 | GAR12-UK | 8 mm | 30,1 kN | 12 mm | 34 mm | 18 mm | 22 mm | 11,4 kN | 11300 N | 10 mm | 22 mm | 30200 N | 8 mm | GAR12-UK | 11300 N | 14.9 mm | 54 mm | 30200 N | |
Hlava ojnice
GAR15UKINA
|
1 000,73 Kč
827,05 Kč bez DPH
|
22 mm | 8 ° | Pravé BSP | INA | Kus | Schaeffler | 83 mm | Samec závit | Ne | 40 mm | 20 mm | Metrický | 40 mm | 8 ° | 12 mm | Vpravo | 34 mm | Pozinkovaná | M14 | 83 mm | 15 mm | 34 mm | M14 | GAR15-UK | 10 mm | 41,5 kN | 15 mm | 40 mm | 22 mm | 26 mm | 17,6 kN | 17800 N | 12 mm | 26 mm | 41600 N | 10 mm | GAR15-UK | 17800 N | 18.4 mm | 63 mm | 41600 N | |
Hlava ojnice
GAR17UKINAINA
|
1 008,96 Kč
833,85 Kč bez DPH
|
25 mm | 10 ° | Pravé BSP | INA | Kus | Schaeffler | 92 mm | Samec závit | Ne | 46 mm | 23 mm | Metrický | 46 mm | 10 ° | 14 mm | Vpravo | 36 mm | Pozinkovaná | M16 | 92 mm | 17 mm | 36 mm | M16 | GAR17-UK | 11 mm | 56,5 kN | 17 mm | 46 mm | 25 mm | 30 mm | 22,4 kN | 22500 N | 14 mm | 30 mm | 56500 N | 11 mm | GAR17-UK | 22500 N | 20.7 mm | 69 mm | 56500 N | |
Hlava ojnice
GAR20UKINA
|
1 179,69 Kč
974,95 Kč bez DPH
|
29 mm | 9 ° | Pravé BSP | INA | Kus | Schaeffler | 104.5 mm | Samec závit | Ne | 53 mm | 27 mm | Metrický | 53 mm | 9 ° | 16 mm | Vpravo | 43 mm | Pozinkovaná | M20x1.5 | 104,5 mm | 20 mm | 43 mm | M20 | GAR20-UK | 13 mm | 75,6 kN | 20 mm | 53 mm | 29 mm | 35 mm | 31,5 kN | 31300 N | 16 mm | 35 mm | 75600 N | 13 mm | GAR20-UK | 31300 N | 24.1 mm | 78 mm | 75600 N | |
Hlava ojnice
GAR30UKINA
|
2 469,43 Kč
2 040,85 Kč bez DPH
|
40.7 mm | 6 ° | Pravé BSP | INA | Kus | Schaeffler | 146.5 mm | Samec závit | Ne | 73 mm | 37 mm | Metrický | 73 mm | 6 ° | 22 mm | Vpravo | 65 mm | Pozinkovaná | M30x2 | 146,5 mm | 30 mm | 65 mm | M30 | GAR30-UK | 19 mm | 138 kN | 30 mm | 73 mm | 40,7 mm | 47 mm | 65,5 kN | 65900 N | 22 mm | 47 mm | 139000 N | 19 mm | GAR30-UK | 65900 N | 34.2 mm | 110 mm | 139000 N | |
Hlava ojnice
GAR6UKINA
|
809,43 Kč
668,95 Kč bez DPH
|
10 mm | 13 ° | Pravé BSP | INA | Kus | Schaeffler | 46.5 mm | Samec závit | Ne | 21 mm | 12 mm | Metrický | 21 mm | 13 ° | 6 mm | Vpravo | 18 mm | Pozinkovaná | M6X1 | 46,5 mm | 6 mm | 18 mm | M6 | GAR6-UK | 4,4 mm | 6,92 kN | 6 mm | 21 mm | 10 mm | 14 mm | 3,6 kN | 3600 N | 6 mm | 14 mm | 6930 N | 4,4 mm | GAR6-UK | 3600 N | 8 mm | 36 mm | 6930 N |