AgroBox

Šroubovací sací filtry, typ MPS-S

Parametry produktu

Popis výrobku
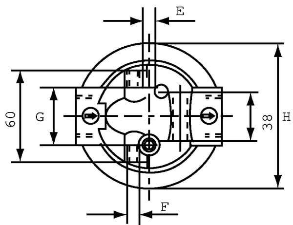
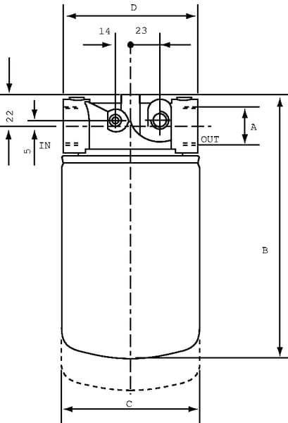
Filtry MPS-S jsou kombinací hlavy filtru MPS a sacího filtru CS. Hliníkovou hlavu filtru lze snadno a rychle namontovat do soustavy trubek, představuje cenově výhodnou alternativu vestavěným filtrům. Hlava filtru je standardně vybavena obtokem a volitelně ji lze doplnit o indikátor nečistot.
Zobrazit více
Výhody
  • Ideální, pokud je okolo olejové nádrže nedostatek prostoru pro údržbu.
  • Cenově výhodná alternativa vestavěným filtrům.
  • Snadné zabudování do systému.
Podrobnosti
  • Použití: sací filtr
  • Montáž: montáž na trubku, filtr ve vertikální poloze
  • Lze kombinovat s filtračními vložkami typu CS
  • Provozní tlak: max. 12 bar
  • Materiál: hliník
  • Médium: vhodné pro minerální oleje
  • Teplota: -25 °C až +110 °C
  • Filtrace: z vnějšku dovnitř
  • Otevírací tlak obtoku sacího filtru: 0,3 bar
  • Průtok závisí na velikosti konstrukce a typu filtru
  • Materiál filtrační vložky: skelné vlákno (A), papír (P) nebo kov (M)
  • Filtrační vložky k dispozici jako M25 / M60 / P10 / P25 / A03 / A06 / A10 / A16 / A25 (v µm)

Tento produkt má několik variant. Vyberte prosím konkrétní variantu z tabulky níže.

Dostupné varianty produktu

Produkt Košík Cena Značka Jednotka
Sací filtr
Sací filtr
MPS050SP10
1 241,40 Kč 1 025,95 Kč bez DPH
MP Filtri Kus
Sací filtr
Sací filtr
MPS100SP10
2 079,63 Kč 1 718,70 Kč bez DPH
MP Filtri Kus
Sací filtr
Sací filtr
MPS100SP25
2 163,96 Kč 1 788,40 Kč bez DPH
MP Filtri Kus
Sací filtr MPS 150-S-G1-A25-A
Sací filtr MPS 150-S-G1-A25-A
MPS150SG1A25
3 966,92 Kč 3 278,45 Kč bez DPH
MP Filtri Kus
Spin-on filtr
Spin-on filtr
MPS050SG1P25A
1 342,19 Kč 1 109,25 Kč bez DPH
MP Filtri Kus