AgroBox

Sací filtr

Parametry produktu

Číslo položky MPS050SP10
Jednotka Kus
Značka MP Filtri
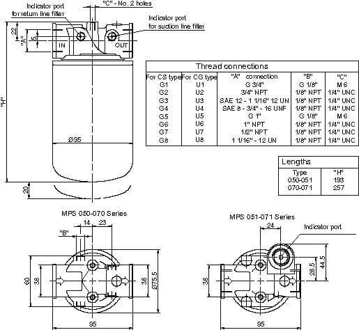
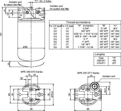
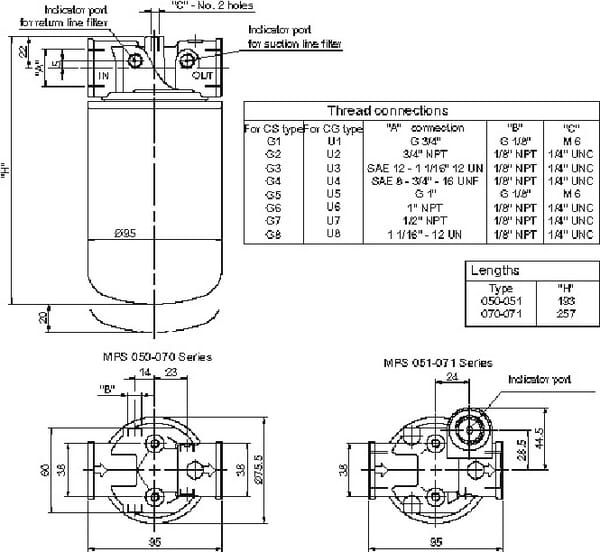
Popis výrobku Filtry MPS-S jsou kombinací hlavy filtru MPS a sacího filtru CS. Hliníkovou hlavu filtru lze snadno a rychle namontovat do soustavy trubek, představuje cenově výhodnou alternativu vestavěným filtrům. Hlava filtru je standardně vybavena obtokem a volitelně ji lze doplnit o indikátor nečistot.
Výhody
  • Ideální, pokud je okolo olejové nádrže nedostatek prostoru pro údržbu.
  • Cenově výhodná alternativa vestavěným filtrům.
  • Snadné zabudování do systému.
Podrobnosti
  • Použití: sací filtr
  • Montáž: montáž na trubku, filtr ve vertikální poloze
  • Lze kombinovat s filtračními vložkami typu CS
  • Provozní tlak: max. 12 bar
  • Materiál: hliník
  • Médium: vhodné pro minerální oleje
  • Teplota: -25 °C až +110 °C
  • Filtrace: z vnějšku dovnitř
  • Otevírací tlak obtoku sacího filtru: 0,3 bar
  • Průtok závisí na velikosti konstrukce a typu filtru
  • Materiál filtrační vložky: skelné vlákno (A), papír (P) nebo kov (M)
  • Filtrační vložky k dispozici jako M25 / M60 / P10 / P25 / A03 / A06 / A10 / A16 / A25 (v µm)
Médium Hydraulický olej
Úroveň filtrace Nominální
Mikronový filtr 10 µm
Obtok Ano
Výška 192 mm
Vnější průměr 96 mm
Min. rychlost průtoku 35 l/min
Průměr závitu portu výstupu 3/4 Inch

1 241,40 Kč s DPH

1 025,95 Kč bez DPH

Skladem