AgroBox

Redukcní pouzdro 22,6 – 28,8 m

Parametry produktu

Číslo položky Z922128KR
EAN 8716106067329
Jednotka Kus
Značka Kramp
Popis výrobku Redukční pouzdro bez otvoru pro spodní řídicí rameno
Použití Pro návrh propojení
Vlastnosti
  • Bez otvorů
  • pozinkovaná
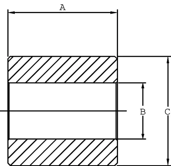
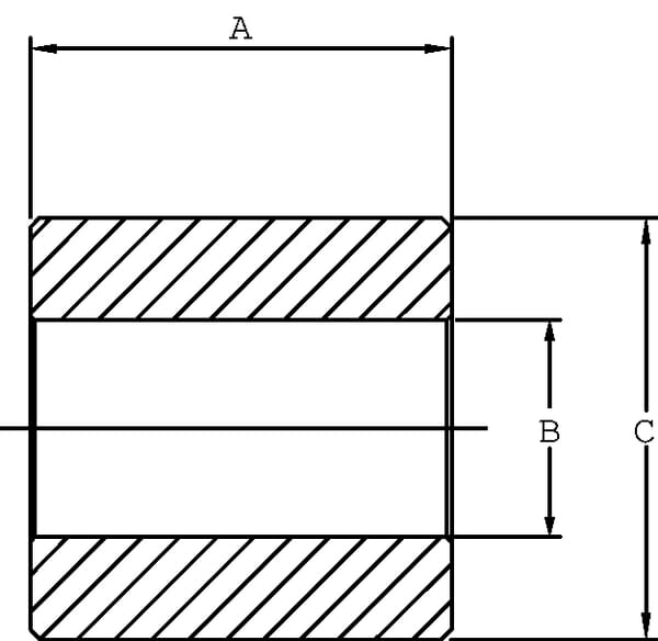
CVnější průměr 28,7 mm
BVnitřní průměr 22,6 mm
ADélka 44 mm
Kategorie
  • 2
  • 1
Kategorie # 2/1

27,77 Kč s DPH

22,95 Kč bez DPH

Skladem