AgroBox

Zubová čerpadla Magnum HDP, skupina 3

Parametry produktu

Zvláštnosti
  • Různé možnosti připojení
  • Uložení vnějšího pouzdra v ložiskách
Použití
  • Mobilní použití
  • Průmyslové aplikace
Vlastnosti
  • Sestává ze 3 částí
  • Možnost zakázkového provedení
Výhody
  • Široké spektrum použití
  • Lze používat i v náročných okolních podmínkách

Tento produkt má několik variant. Vyberte prosím konkrétní variantu z tabulky níže.

Dostupné varianty produktu

Produkt Košík Cena Výhody Značka Jednotka Norma SAE Použití Vlastnosti Pozice portu Typ hřídele Zvláštnosti Kód příruby Typ těsnění ADélka pouzdra Výška pouzdra Zdvihový objem Průměr hřídele Kód typu hřídele Montážní průměr Norma typu příruby Povrchový materiál Kód skupiny čerpadel Počet zubů hřídele Max. rychlost otáčení Počet montážních otvorů Typ závitu tlakového portu Preferovaný směr otáčení Max. soustavný provozní tlak Kód velikosti kužele hřídele Průměr závitu hlavního portu Materiál příruby a zadního krytu DPrůměr kruhu šroubů sacího otvoru Svislá vzdálenost montážních otvorů Vodorovná vzdálenost montážních otvorů BVzdálenost připojovacího portu k přírubě
Zubové čerpadlo Magnum 30
Zubové čerpadlo Magnum 30
HDP3017D
24 672,69 Kč 20 390,65 Kč bez DPH
  • Široké spektrum použití
  • Lze používat i v náročných okolních podmínkách
Casappa Kus 3000
  • Mobilní použití
  • Průmyslové aplikace
  • Sestává ze 3 částí
  • Možnost zakázkového provedení
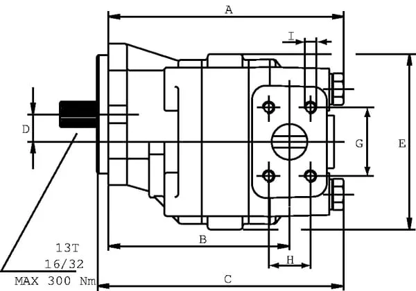
Boční Drážkované 13T
  • Různé možnosti připojení
  • Uložení vnějšího pouzdra v ložiskách
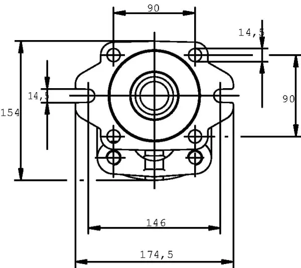
S3 Standardní 184,5 mm 150 mm 17,28 cm³/rev 21,8 mm 04 101,6 mm SAE-B Ocel 3 13 3000 r/min 4 BSP Pravotočivé (CW) 280 BAR n/a 1 Inch Litina 23,5 mm 90 mm 146 mm 138 mm
Zubové čerpadlo Magnum 30
Zubové čerpadlo Magnum 30
HDP3034D
22 885,15 Kč 18 913,35 Kč bez DPH
  • Široké spektrum použití
  • Lze používat i v náročných okolních podmínkách
Casappa Kus 3000
  • Mobilní použití
  • Průmyslové aplikace
  • Sestává ze 3 částí
  • Možnost zakázkového provedení
Boční Drážkované 13T
  • Různé možnosti připojení
  • Uložení vnějšího pouzdra v ložiskách
S3 Standardní 195,5 mm 150 mm 34,39 cm³/rev 21,8 mm 04 101,6 mm SAE-B Ocel 3 13 3000 r/min 4 BSP Pravotočivé (CW) 270 BAR n/a 1-1/4 Inch Litina 23,5 mm 90 mm 146 mm 149 mm
Zubové čerpadlo Magnum 30
Zubové čerpadlo Magnum 30
HDP3043D
25 419,38 Kč 21 007,75 Kč bez DPH
  • Široké spektrum použití
  • Lze používat i v náročných okolních podmínkách
Casappa Kus 3000
  • Mobilní použití
  • Průmyslové aplikace
  • Sestává ze 3 částí
  • Možnost zakázkového provedení
Boční Drážkované 13T
  • Různé možnosti připojení
  • Uložení vnějšího pouzdra v ložiskách
S3 Standardní 201,5 mm 150 mm 43,77 cm³/rev 21,8 mm 04 101,6 mm SAE-B Ocel 3 13 3000 r/min 4 BSP Pravotočivé (CW) 260 BAR n/a 1-1/4 Inch Litina 23,5 mm 90 mm 146 mm 155 mm
Zubové čerpadlo Magnum 30
Zubové čerpadlo Magnum 30
HDP3051D
23 857,09 Kč 19 716,60 Kč bez DPH
  • Široké spektrum použití
  • Lze používat i v náročných okolních podmínkách
Casappa Kus 3000
  • Mobilní použití
  • Průmyslové aplikace
  • Sestává ze 3 částí
  • Možnost zakázkového provedení
Boční Drážkované 13T
  • Různé možnosti připojení
  • Uložení vnějšího pouzdra v ložiskách
S3 Standardní 206,5 mm 150 mm 51,83 cm³/rev 21,8 mm 04 101,6 mm SAE-B Ocel 3 13 2500 r/min 4 BSP Pravotočivé (CW) 230 BAR n/a 1-1/4 Inch Litina 23,5 mm 90 mm 146 mm 160 mm
Zubové čerpadlo Magnum 30
Zubové čerpadlo Magnum 30
HDP3061D
25 344,30 Kč 20 945,70 Kč bez DPH
  • Široké spektrum použití
  • Lze používat i v náročných okolních podmínkách
Casappa Kus 3000
  • Mobilní použití
  • Průmyslové aplikace
  • Sestává ze 3 částí
  • Možnost zakázkového provedení
Boční Drážkované 13T
  • Různé možnosti připojení
  • Uložení vnějšího pouzdra v ložiskách
S3 Standardní 212,5 mm 150 mm 61,26 cm³/rev 21,8 mm 04 101,6 mm SAE-B Ocel 3 13 2000 r/min 4 BSP Pravotočivé (CW) 200 BAR n/a 1-1/2 Inch Litina 23,5 mm 90 mm 146 mm 166 mm