AgroBox

Zubová čerpadla Formula 40 19T1

Parametry produktu

Popis výrobku
Zubová čerpadla Formula 40
Zvláštnosti
  • Vysoký výkon i při malých rychlostech
  • Možnost přímé montáže na kloubovou hřídel
Vlastnosti
  • Různé připojovací polohy
  • Nízké hlukové emise
  • Možnost zakázkového provedení
Výhody
  • Široké spektrum použití
  • Kompaktní provedení

Tento produkt má několik variant. Vyberte prosím konkrétní variantu z tabulky níže.

Dostupné varianty produktu

Produkt Košík Cena Výhody Značka Jednotka Vlastnosti Pozice portu Typ hřídele Zvláštnosti Kód příruby Popis výrobku Typ těsnění ADélka pouzdra Zdvihový objem Průměr hřídele Kód typu hřídele Montážní průměr Norma typu příruby Povrchový materiál Max. nejvyšší tlak Kód skupiny čerpadel Počet zubů hřídele Max. rychlost otáčení Počet montážních otvorů Typ závitu tlakového portu Preferovaný směr otáčení Max. soustavný provozní tlak Max. střídavý provozní tlak Kód velikosti kužele hřídele CPrůměr závitu hlavního portu Materiál příruby a zadního krytu Svislá vzdálenost montážních otvorů Vodorovná vzdálenost montážních otvorů BVzdálenost připojovacího portu k přírubě
Čer. FP40.109-SO-19T1
Čer. FP40.109-SO-19T1
FP40109S
26 824,31 Kč 22 168,85 Kč bez DPH
  • Široké spektrum použití
  • Kompaktní provedení
Casappa Kus
  • Různé připojovací polohy
  • Nízké hlukové emise
  • Možnost zakázkového provedení
Boční Drážkované 6T
  • Vysoký výkon i při malých rychlostech
  • Možnost přímé montáže na kloubovou hřídel
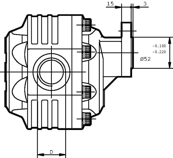
T1 Zubová čerpadla Formula 40 Standardní 204,5 mm 108,9 cm³/rev 25 mm 19 52 mm Italština Litina 280 BAR 4 6 2700 r/min 3 BSP Levotočivé (CCW) 240 BAR 260 BAR n/a 1-1/4 Inch Litina 73 mm 73 mm 129,5 mm
Čer. FP40.109D0-19T1-LGG/GF-N
Čer. FP40.109D0-19T1-LGG/GF-N
FP40109D
23 872,51 Kč 19 729,35 Kč bez DPH
  • Široké spektrum použití
  • Kompaktní provedení
Casappa Kus
  • Různé připojovací polohy
  • Nízké hlukové emise
  • Možnost zakázkového provedení
Boční Drážkované 6T
  • Vysoký výkon i při malých rychlostech
  • Možnost přímé montáže na kloubovou hřídel
T1 Zubová čerpadla Formula 40 Standardní 204,5 mm 108,9 cm³/rev 25 mm 19 52 mm Italština Litina 280 BAR 4 6 2700 r/min 3 BSP Pravotočivé (CW) 240 BAR 260 BAR n/a 1 Inch Litina 73 mm 73 mm 129,5 mm
Čer. FP40.133D0-19T1-LGH/GF-N
Čer. FP40.133D0-19T1-LGH/GF-N
FP40133D
25 550,00 Kč 21 115,70 Kč bez DPH
  • Široké spektrum použití
  • Kompaktní provedení
Casappa Kus
  • Různé připojovací polohy
  • Nízké hlukové emise
  • Možnost zakázkového provedení
Boční Drážkované 6T
  • Vysoký výkon i při malých rychlostech
  • Možnost přímé montáže na kloubovou hřídel
T1 Zubová čerpadla Formula 40 Standardní 213,5 mm 134,03 cm³/rev 25 mm 19 52 mm Italština Litina 260 BAR 4 6 2500 r/min 3 BSP Pravotočivé (CW) 220 BAR 250 BAR n/a 1 Inch Litina 73 mm 73 mm 138,5 mm
Čer. FP40.151D0-19T1-LGH/GF-N
Čer. FP40.151D0-19T1-LGH/GF-N
FP40151D
24 879,42 Kč 20 561,50 Kč bez DPH
  • Široké spektrum použití
  • Kompaktní provedení
Casappa Kus
  • Různé připojovací polohy
  • Nízké hlukové emise
  • Možnost zakázkového provedení
Boční Drážkované 6T
  • Vysoký výkon i při malých rychlostech
  • Možnost přímé montáže na kloubovou hřídel
T1 Zubová čerpadla Formula 40 Standardní 219,5 mm 150,79 cm³/rev 25 mm 19 52 mm Italština Litina 220 BAR 4 6 2500 r/min 3 BSP Pravotočivé (CW) 180 BAR 210 BAR n/a 1 Inch Litina 73 mm 73 mm 144,5 mm
Čer. FP40.63D0-19T1-LGF/GE-N
Čer. FP40.63D0-19T1-LGF/GE-N
FP4063D
23 047,66 Kč 19 047,65 Kč bez DPH
  • Široké spektrum použití
  • Kompaktní provedení
Casappa Kus
  • Různé připojovací polohy
  • Nízké hlukové emise
  • Možnost zakázkového provedení
Boční Drážkované 6T
  • Vysoký výkon i při malých rychlostech
  • Možnost přímé montáže na kloubovou hřídel
T1 Zubová čerpadla Formula 40 Standardní 187,5 mm 61,43 cm³/rev 25 mm 19 52 mm Italština Litina 325 BAR 4 6 2700 r/min 3 BSP Pravotočivé (CW) 290 BAR 315 BAR n/a 3/4 Inch Litina 73 mm 73 mm 119,5 mm
Čer. FP40.73D0-19T1-LGF/GE-N
Čer. FP40.73D0-19T1-LGF/GE-N
FP4073D
24 370,31 Kč 20 140,75 Kč bez DPH
  • Široké spektrum použití
  • Kompaktní provedení
Casappa Kus
  • Různé připojovací polohy
  • Nízké hlukové emise
  • Možnost zakázkového provedení
Boční Drážkované 6T
  • Vysoký výkon i při malých rychlostech
  • Možnost přímé montáže na kloubovou hřídel
T1 Zubová čerpadla Formula 40 Standardní 191,5 mm 72,6 cm³/rev 25 mm 19 52 mm Italština Litina 315 BAR 4 6 2700 r/min 3 BSP Pravotočivé (CW) 280 BAR 300 BAR n/a 3/4 Inch Litina 73 mm 73 mm 123,5 mm
Čer. FP40.87D0-19T1-LGG/GF-N
Čer. FP40.87D0-19T1-LGG/GF-N
FP4087D
25 611,71 Kč 21 166,70 Kč bez DPH
  • Široké spektrum použití
  • Kompaktní provedení
Casappa Kus
  • Různé připojovací polohy
  • Nízké hlukové emise
  • Možnost zakázkového provedení
Boční Drážkované 6T
  • Vysoký výkon i při malých rychlostech
  • Možnost přímé montáže na kloubovou hřídel
T1 Zubová čerpadla Formula 40 Standardní 196,5 mm 86,56 cm³/rev 25 mm 19 52 mm Italština Litina 290 BAR 4 6 2700 r/min 3 BSP Pravotočivé (CW) 260 BAR 280 BAR n/a 1 Inch Litina 73 mm 73 mm 128,5 mm
Čerpadlo Formula 40 - 87CC CCW
Čerpadlo Formula 40 – 87CC CCW
FP4087S
23 472,43 Kč 19 398,70 Kč bez DPH
  • Široké spektrum použití
  • Kompaktní provedení
Casappa Kus
  • Různé připojovací polohy
  • Nízké hlukové emise
  • Možnost zakázkového provedení
Boční Drážkované 6T
  • Vysoký výkon i při malých rychlostech
  • Možnost přímé montáže na kloubovou hřídel
T1 Zubová čerpadla Formula 40 Standardní 196,5 mm 86,56 cm³/rev 25 mm 19 52 mm Italština Litina 290 BAR 4 6 2700 r/min 3 BSP Levotočivé (CCW) 260 BAR 280 BAR n/a 1 Inch Litina 73 mm 73 mm 128,5 mm
Čerpadlo FP40.151S0-19T1-LGH/GF-N
Čerpadlo FP40.151S0-19T1-LGH/GF-N
FP40151S
27 619,34 Kč 22 825,90 Kč bez DPH
  • Široké spektrum použití
  • Kompaktní provedení
Casappa Kus
  • Různé připojovací polohy
  • Nízké hlukové emise
  • Možnost zakázkového provedení
Boční Drážkované 6T
  • Vysoký výkon i při malých rychlostech
  • Možnost přímé montáže na kloubovou hřídel
T1 Zubová čerpadla Formula 40 Standardní 219,5 mm 150,79 cm³/rev 25 mm 19 52 mm Italština Litina 220 BAR 4 6 2500 r/min 3 BSP Levotočivé (CCW) 180 BAR 210 BAR n/a 1 Inch Litina 73 mm 73 mm 144,5 mm
Zubové čerpadlo Formula 40
Zubové čerpadlo Formula 40
FP40133S
25 253,79 Kč 20 870,90 Kč bez DPH
  • Široké spektrum použití
  • Kompaktní provedení
Casappa Kus
  • Různé připojovací polohy
  • Nízké hlukové emise
  • Možnost zakázkového provedení
Boční Drážkované 6T
  • Vysoký výkon i při malých rychlostech
  • Možnost přímé montáže na kloubovou hřídel
T1 Zubová čerpadla Formula 40 Standardní 213,5 mm 134,03 cm³/rev 25 mm 19 52 mm Italština Litina 260 BAR 4 6 2500 r/min 3 BSP Levotočivé (CCW) 220 BAR 250 BAR n/a 1-1/2 Inch Litina 73 mm 73 mm 138,5 mm
Zubové čerpadlo Formula 40
Zubové čerpadlo Formula 40
FP4063DI
31 002,08 Kč 25 621,55 Kč bez DPH
  • Široké spektrum použití
  • Kompaktní provedení
Casappa Kus
  • Různé připojovací polohy
  • Nízké hlukové emise
  • Možnost zakázkového provedení
Boční Drážkované 6T
  • Vysoký výkon i při malých rychlostech
  • Možnost přímé montáže na kloubovou hřídel
T1 Zubová čerpadla Formula 40 Standardní 187,5 mm 61,43 cm³/rev 25 mm 19 52 mm Italština Litina 325 BAR 4 6 2700 r/min 3 BSP Pravotočivé (CW) 290 BAR 315 BAR n/a 3/4 Inch Litina 73 mm 73 mm 119,5 mm