AgroBox

Vzduchové chladiče oleje typu 2010 (max. 40 l/min)

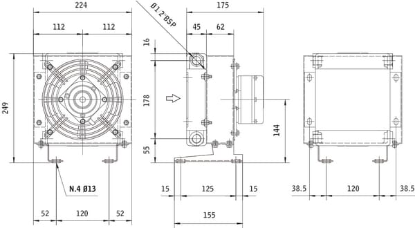
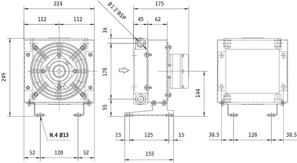
Parametry produktu

Popis výrobku
Chladiče oleje a výměníky tepla napomáhají výměně tepla mezi olejem a okolním vzduchem. Standardně jsou vybaveny termostatem na 38–50 ºC. Kontrolovaná teplota oleje zvyšuje účinnost a životnost součástí systému.
Zobrazit více
Výhody
  • Kompaktní zabudovaný model
  • Kompletní jednotka
  • Zvýšená účinnost
  • Dlouhá životnost součástí
Podrobnosti
  • Teplotní spínač 38–50 ºC
  • Maximální teplota: 120 °C
  • Motor se musí spínat pomocí relé
Obsah balení
  • Hliníkový chladič
  • Podpěra
  • Elektromotor s oběžným kolem, napětí dle modelu
  • Teplotní spínač
  • Konektor pro připojení teplotního spínače nebo DC motoru

Tento produkt má několik variant. Vyberte prosím konkrétní variantu z tabulky níže.

Dostupné varianty produktu

Produkt Košík Cena Hloubka Značka Jednotka Hlučnost Jmenovité napětí Max. pracovní tlak Třída izolace (IP) Max. pracovní průtok Pracovní teplota termostatu Typ průtoku chladicího media Vnější průměr ventilátoru
Chl. oleje (230 V) 38-50'C 201
Chl. oleje (230 V) 38-50'C 201
OK201022001
9 369,64 Kč 7 743,50 Kč bez DPH
175 mm Emmegi Kus 67 dB 230 V 20 BAR 54 40 l/min 38 – 50 Suction 175 mm
Olejový chladič (12V) 38-50°C 2010
Olejový chladič (12V) 38-50°C 2010
OK2010K12201
8 732,99 Kč 7 217,35 Kč bez DPH
160 mm Emmegi Kus 75 dB 12 V 20 BAR 64 40 l/min 38 – 50 Suction 167 mm