AgroBox

Vysokotlaký filtr 60 mu 3/4 B

Parametry produktu

Číslo položky HF70520070SB060GEB
Jednotka Kus
Značka Ikron
Popis výrobku Řadu HF tvoří jednoduché vřazené filtry, které slouží k ochraně vysokotlakých hydraulických systémů až do 350 bar.
Podrobnosti
  • Vhodné pro minerální olej
  • Maximální provozní tlak: 350 bar
  • Tyto filtry nejsou vybaveny obtokovým ventilem ani funkcí obtoku pro případ zanesení filtru
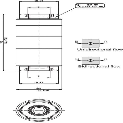
  • Průtok z A do B, NEBO z B do A (pouze jeden směr, aby nedocházelo k zanesení systému nečistotami)
  • Filtrační vložky dostupné jako 10 / 40 / 60 (v µm)
  • Materiál filtrační vložky: sintrovaný bronz
Médium Hydraulický olej
Vnější průměr 54 mm
Celková délka 140 mm
Mikronový filtr 60 µm
Filtrační materiál Slinutý bronz
Povrchový materiál Ocel
Průměr závitu portu výstupu 3/4 Inch
Průměr závitu portu vstupu 3/4 Inch
Min. rychlost průtoku 115 l/min
Maximální průtok 115 l/min
Maximální pracovní tlak 350 BAR
Min. provozní teplota -30 °C
Maximální pracovní teplota 90 °C
Obtok Ne
Úroveň filtrace Nominální

2 475,60 Kč s DPH

2 045,95 Kč bez DPH

Skladem