AgroBox

Vysokotlaké filtry, typ FMM 050

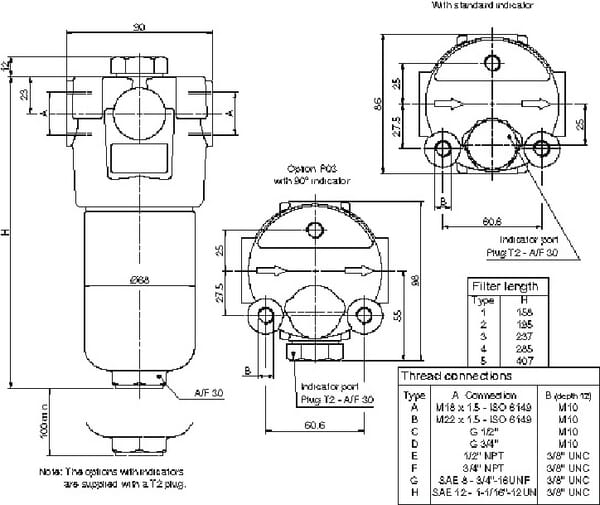
Parametry produktu

Popis výrobku
Řada FMM se skládá z univerzálních vysokotlakých filtrů, které chrání citlivé komponenty v hydraulických vysokotlakých systémech až do 450 barů.
Výhody
Lze umístit do jakéholi polohy v soustavě trubek
Podrobnosti
  • Vhodné pro minerální oleje
  • Maximální rozdíl tlaku mezi vložkami: 20 barů (řada N) nebo 210 barů (řada S)
  • Filtrace z vnějšku dovnitř
  • Maximální provozní tlak 450 bar
  • Trhací tlak: 1260 barů
  • Teplota: -25° C až +110° C
  • Pracovní výška představuje volný prostor pod filtrem nutný pro výměnu vložky
  • Otevírací tlak obtoku: 6 bar +-10 %
  • Průtok závisí na velikosti konstrukce a typu filtru
  • Materiál filtrační vložky: skelné vlákno (A) nebo kov (M)
  • Filtrační vložky k dispozici jako A03 / A06 / A10 / A16 /A25 / M25 (v µm)
Obsah balení
Filtr se standardně dodává bez kontrolní zátky

Tento produkt má několik variant. Vyberte prosím konkrétní variantu z tabulky níže.

Dostupné varianty produktu

Produkt Košík Cena Obtok Délka Médium Výhody Výška Značka Jednotka Obsah balení Port snímače Mikronový filtr Tlak poškození Úroveň filtrace Vnější průměr Maximální průtok Originální číslo Povrchový materiál Filtrační materiál Min. provozní teplota Maximální pracovní tlak Maximální pracovní teplota Průměr závitu portu vstupu Průměr závitu portu výstupu
Tlakové filtry
Tlakové filtry
FMM0502BACA25NP01
4 119,14 Kč 3 404,25 Kč bez DPH
Ano 195 mm Hydraulický olej Lze umístit do jakéholi polohy v soustavě trubek 195 mm MP Filtri Kus Filtr se standardně dodává bez kontrolní zátky Ano 25 µm 20 BAR Absolutní 90 mm 121 l/min FMM050-2-B-A-C-A25-N-P01 Ocel Skleněné vlákno -25 °C 450 BAR 110 °C 1/2 Inch 1/2 Inch
Tlakový filtr 1/2" 10 µm
Tlakový filtr 1/2" 10 µm
FMM0501BACA10NP01
4 670,42 Kč 3 859,85 Kč bez DPH
Ano 158 mm Hydraulický olej Lze umístit do jakéholi polohy v soustavě trubek 158 mm MP Filtri Kus Filtr se standardně dodává bez kontrolní zátky Ano 10 µm 20 BAR Absolutní 90 mm 79 l/min FMM050-1-B-A-C-A10-N-P01 Ocel Skleněné vlákno -25 °C 450 BAR 110 °C 1/2 Inch 1/2 Inch
Tlakový filtr 1/2" 10 µm
Tlakový filtr 1/2" 10 µm
FMM0502BACA10NP01
4 734,19 Kč 3 912,55 Kč bez DPH
Ano 195 mm Hydraulický olej Lze umístit do jakéholi polohy v soustavě trubek 195 mm MP Filtri Kus Filtr se standardně dodává bez kontrolní zátky Ano 10 µm 20 BAR Absolutní 90 mm 85 l/min FMM050-2-B-A-C-A10-N-P01 Ocel Skleněné vlákno -25 °C 450 BAR 110 °C 1/2 Inch 1/2 Inch
Tlakový filtr 1/2" 25 µm
Tlakový filtr 1/2" 25 µm
FMM0501BACA25NP01
4 579,91 Kč 3 785,05 Kč bez DPH
Ano 158 mm Hydraulický olej Lze umístit do jakéholi polohy v soustavě trubek 158 mm MP Filtri Kus Filtr se standardně dodává bez kontrolní zátky Ano 25 µm 20 BAR Absolutní 90 mm 106 l/min FMM050-1-B-A-C-A25-N-P01 Ocel Skleněné vlákno -25 °C 450 BAR 110 °C 1/2 Inch 1/2 Inch
Tlakový filtr 3/4" 10 µm
Tlakový filtr 3/4" 10 µm
FMM0503BADA10NP01
5 331,74 Kč 4 406,40 Kč bez DPH
Ano 237 mm Hydraulický olej Lze umístit do jakéholi polohy v soustavě trubek 237 mm MP Filtri Kus Filtr se standardně dodává bez kontrolní zátky Ano 10 µm 20 BAR Absolutní 90 mm 97 l/min FMM050-3-B-A-D-A10-N-P01 Ocel Skleněné vlákno -25 °C 450 BAR 110 °C 3/4 Inch 3/4 Inch
Tlakový filtr 3/4" 10 µm
Tlakový filtr 3/4" 10 µm
FMM0503SADA10SP02
6 622,51 Kč 5 473,15 Kč bez DPH
Ne 237 mm Hydraulický olej Lze umístit do jakéholi polohy v soustavě trubek 237 mm MP Filtri Kus Filtr se standardně dodává bez kontrolní zátky Ano 10 µm 210 BAR Absolutní 90 mm 97 l/min FMM050-3-S-A-D-A10-S-P02 Ocel Skleněné vlákno -25 °C 450 BAR 110 °C 3/4 Inch 3/4 Inch
Tlakový filtr 3/4" 10 µm
Tlakový filtr 3/4" 10 µm
FMM0504BADA10NP01
5 129,13 Kč 4 238,95 Kč bez DPH
Ano 285 mm Hydraulický olej Lze umístit do jakéholi polohy v soustavě trubek 285 mm MP Filtri Kus Filtr se standardně dodává bez kontrolní zátky Ano 10 µm 20 BAR Absolutní 90 mm 113 l/min FMM050-4-B-A-D-A10-N-P01 Ocel Skleněné vlákno -25 °C 450 BAR 110 °C 3/4 Inch 3/4 Inch
Tlakový filtr 3/4" 10 µm
Tlakový filtr 3/4" 10 µm
FMM0505BADA10NP01
8 756,65 Kč 7 236,90 Kč bez DPH
Ano 407 mm Hydraulický olej Lze umístit do jakéholi polohy v soustavě trubek 407 mm MP Filtri Kus Filtr se standardně dodává bez kontrolní zátky Ano 10 µm 20 BAR Absolutní 90 mm 130 l/min FMM050-5-B-A-D-A10-N-P01 Ocel Skleněné vlákno -25 °C 450 BAR 110 °C 3/4 Inch 3/4 Inch
Tlakový filtr 3/4" 25 µm
Tlakový filtr 3/4" 25 µm
FMM0503BADA25NP01
4 784,58 Kč 3 954,20 Kč bez DPH
Ano 237 mm Hydraulický olej Lze umístit do jakéholi polohy v soustavě trubek 237 mm MP Filtri Kus Filtr se standardně dodává bez kontrolní zátky Ano 25 µm 20 BAR Absolutní 90 mm 130 l/min FMM050-3-B-A-D-A25-N-P01 Ocel Skleněné vlákno -25 °C 450 BAR 110 °C 3/4 Inch 3/4 Inch
Tlakový filtr 3/4" 25 µm
Tlakový filtr 3/4" 25 µm
FMM0504BADA25NP01
4 761,96 Kč 3 935,50 Kč bez DPH
Ano 285 mm Hydraulický olej Lze umístit do jakéholi polohy v soustavě trubek 285 mm MP Filtri Kus Filtr se standardně dodává bez kontrolní zátky Ano 25 µm 20 BAR Absolutní 90 mm 134 l/min FMM050-4-B-A-D-A25-N-P01 Ocel Skleněné vlákno -25 °C 450 BAR 110 °C 3/4 Inch 3/4 Inch
Tlakový filtr 3/4" 25 µm
Tlakový filtr 3/4" 25 µm
FMM0505BADA25NP01
6 512,46 Kč 5 382,20 Kč bez DPH
Ano 407 mm Hydraulický olej Lze umístit do jakéholi polohy v soustavě trubek 407 mm MP Filtri Kus Filtr se standardně dodává bez kontrolní zátky Ano 25 µm 20 BAR Absolutní 90 mm 141 l/min FMM050-5-B-A-D-A25-N-P01 Ocel Skleněné vlákno -25 °C 450 BAR 110 °C 3/4 Inch 3/4 Inch