AgroBox

Vysokotlaké filtry, typ FHP 350

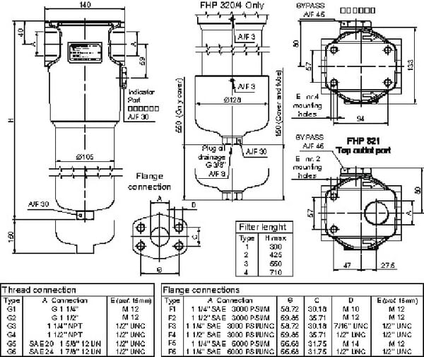
Parametry produktu

Popis výrobku
Řadu FHP tvoří univerzální vysokotlaké filtry, které se používají k ochraně citlivých součástí hydraulických vysokotlakých soustav až do 420 bar.
Výhody
Lze umístit do jakékoli polohy v soustavě trubek
Podrobnosti
  • Vhodné pro minerální olej
  • Maximální rozdíl tlaků mezi vložkami: 20 bar (řada N) nebo 210 bar (řada S)
  • Filtrace z vnějšku dovnitř
  • Maximální provozní tlak: 420 bar
  • Trhací tlak: 1260 bar
  • Teplota: -25° C až +110° C
  • Pracovní výška představuje volný prostor pod filtrem nutný pro výměnu vložky
  • Otevírací tlak obtoku: 6 bar +-10 %
  • Průtok závisí na velikosti sestavy a zvoleném filtru
  • Materiál filtrační vložky: skelné vlákno (A) nebo kov (M)
  • Filtrační vložky dostupné jako A03 / A06 / A10 / A16 / A25 / M25 (v µm)
Obsah balení
Filtr se standardně dodává bez kontrolní zátky

Tento produkt má několik variant. Vyberte prosím konkrétní variantu z tabulky níže.

Dostupné varianty produktu

Produkt Košík Cena Obtok Délka Médium Výhody Výška Značka Jednotka Obsah balení Mikronový filtr Tlak poškození Úroveň filtrace Vnější průměr Maximální průtok Povrchový materiál Filtrační materiál Min. provozní teplota Maximální pracovní tlak Maximální pracovní teplota Průměr závitu portu vstupu Průměr závitu portu výstupu
Tlakové filtry FHP 320-2-A03
Tlakové filtry FHP 320-2-A03
FHP3202A03H
20 421,90 Kč 16 877,60 Kč bez DPH
Ano 411 mm Hydraulický olej Lze umístit do jakékoli polohy v soustavě trubek 422 mm MP Filtri Kus Filtr se standardně dodává bez kontrolní zátky 3 µm 210 BAR Absolutní 140 mm 150 l/min Ocel Skleněné vlákno -25 °C 420 BAR 110 °C 1-1/2 Inch 1-1/4 Inch
Tlakové filtry FHP 320-3-A25
Tlakové filtry FHP 320-3-A25
FHP3203A25
18 558,25 Kč 15 337,40 Kč bez DPH
Ano 551 mm Hydraulický olej Lze umístit do jakékoli polohy v soustavě trubek 554 mm MP Filtri Kus Filtr se standardně dodává bez kontrolní zátky 25 µm 20 BAR Absolutní 140 mm 350 l/min Ocel Skleněné vlákno -25 °C 420 BAR 110 °C 1-1/4 Inch 1-1/4 Inch
Tlakový filtr FHP 320-2-A10
Tlakový filtr FHP 320-2-A10
FHP3502A10
16 172,13 Kč 13 365,40 Kč bez DPH
Ano 334 mm Hydraulický olej Lze umístit do jakékoli polohy v soustavě trubek 422 mm MP Filtri Kus Filtr se standardně dodává bez kontrolní zátky 10 µm 20 BAR Absolutní 140 mm 317 l/min Ocel Skleněné vlákno -25 °C 420 BAR 110 °C 1-1/2 Inch 1-1/2 Inch
Tlakový filtr FHP 320-3-A25
Tlakový filtr FHP 320-3-A25
FHP3503A25
18 558,25 Kč 15 337,40 Kč bez DPH
Ano 409 mm Hydraulický olej Lze umístit do jakékoli polohy v soustavě trubek 554 mm MP Filtri Kus Filtr se standardně dodává bez kontrolní zátky 25 µm 20 BAR Absolutní 140 mm 440 l/min Ocel Skleněné vlákno -25 °C 420 BAR 110 °C 1-1/2 Inch 1-1/4 Inch