AgroBox

Vysokotlaké filtry, typ FHP 135

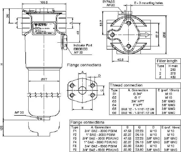
Parametry produktu

Popis výrobku
Řadu FHP tvoří univerzální vysokotlaké filtry, které se používají k ochraně citlivých součástí hydraulických vysokotlakých soustav až do 420 bar.
Výhody
Lze umístit do jakékoli polohy v soustavě trubek
Podrobnosti
  • Vhodné pro minerální olej
  • Maximální rozdíl tlaků mezi vložkami: 20 bar (řada N) nebo 210 bar (řada S)
  • Filtrace z vnějšku dovnitř
  • Maximální provozní tlak: 420 bar
  • Trhací tlak: 1260 bar
  • Teplota: -25° C až +110° C
  • Pracovní výška představuje volný prostor pod filtrem nutný pro výměnu vložky
  • Otevírací tlak obtoku: 6 bar +-10 %
  • Průtok závisí na velikosti sestavy a zvoleném filtru
  • Materiál filtrační vložky: skelné vlákno (A) nebo kov (M)
  • Filtrační vložky dostupné jako A03 / A06 / A10 / A16 / A25 / M25 (v µm)
Obsah balení
Filtr se standardně dodává bez kontrolní zátky

Tento produkt má několik variant. Vyberte prosím konkrétní variantu z tabulky níže.

Dostupné varianty produktu

Produkt Košík Cena Obtok Délka Médium Výhody Výška Značka Jednotka Obsah balení Mikronový filtr Tlak poškození Úroveň filtrace Vnější průměr Maximální průtok Originální číslo Povrchový materiál Filtrační materiál Min. provozní teplota Maximální pracovní tlak Maximální pracovní teplota Průměr závitu portu vstupu Průměr závitu portu výstupu
Tlakový filtr
Tlakový filtr
FHP1351A10
10 860,96 Kč 8 976,00 Kč bez DPH
Ano 254 mm Hydraulický olej Lze umístit do jakékoli polohy v soustavě trubek 260 mm MP Filtri Kus Filtr se standardně dodává bez kontrolní zátky 10 µm 20 BAR Absolutní 110 mm 95 l/min FHP135-1-B-A-G1-A10-N-P01 Ocel Skleněné vlákno -25 °C 420 BAR 110 °C 3/4 Inch 3/4 Inch
Tlakový filtr
Tlakový filtr
FHP1351P10
8 003,79 Kč 6 614,70 Kč bez DPH
Ano 254 mm Hydraulický olej Lze umístit do jakékoli polohy v soustavě trubek 260 mm MP Filtri Kus Filtr se standardně dodává bez kontrolní zátky 10 µm 20 BAR Nominální 110 mm 147 l/min FHP135-1-B-A-G1-P10-N-P01 Ocel Papír -25 °C 420 BAR 110 °C 1/2 Inch 3/4 Inch
Tlakový filtr
Tlakový filtr
FHP1352A10
10 175,98 Kč 8 409,90 Kč bez DPH
Ano 367 mm Hydraulický olej Lze umístit do jakékoli polohy v soustavě trubek 373 mm MP Filtri Kus Filtr se standardně dodává bez kontrolní zátky 10 µm 20 BAR Absolutní 110 mm 129 l/min FHP135-2-B-A-G2-A10-N-P01 Ocel Skleněné vlákno -25 °C 420 BAR 110 °C 1 Inch 1 Inch
Tlakový filtr
Tlakový filtr
FHP1352A25
9 788,23 Kč 8 089,45 Kč bez DPH
Ano 334 mm Hydraulický olej Lze umístit do jakékoli polohy v soustavě trubek 373 mm MP Filtri Kus Filtr se standardně dodává bez kontrolní zátky 25 µm 20 BAR Absolutní 110 mm 163 l/min FHP135-2-B-A-G2-A25-N-P01 Ocel Skleněné vlákno -25 °C 420 BAR 110 °C 3/4 Inch 1 Inch
Tlakový filtr
Tlakový filtr
FHP1352P10
9 237,99 Kč 7 634,70 Kč bez DPH
Ano 367 mm Hydraulický olej Lze umístit do jakékoli polohy v soustavě trubek 373 mm MP Filtri Kus Filtr se standardně dodává bez kontrolní zátky 10 µm 20 BAR Nominální 110 mm 130 l/min FHP135-2-B-A-G2-P10-N-P01 Ocel Papír -25 °C 420 BAR 110 °C 3/4 Inch 1 Inch
Tlakový filtr FHP135-1 pro vypouštění oleje
Tlakový filtr FHP135-1 pro vypouštění oleje
FHP1352BAG2A10NPXX
10 178,04 Kč 8 411,60 Kč bez DPH
Ano 254 mm Hydraulický olej Lze umístit do jakékoli polohy v soustavě trubek 373 mm MP Filtri Kus Filtr se standardně dodává bez kontrolní zátky 10 µm 20 BAR Absolutní 110 mm 129 l/min FHP135-2-B-A-G2-A10-N-P05 Ocel Skleněné vlákno -25 °C 420 BAR 110 °C 1 Inch 1 Inch