AgroBox

Vodicí válečkové ložisko s čepem

Parametry produktu

Zvláštnosti
  • Oboustranné pryžové těsnění
  • Silnostěnný vnější kroužek
  • Dosedací plocha je mírně kulovitá
Použití
  • Balicí stroje
  • Transportní systémy
  • Přesuvné dveře
  • Napínací kladky
Vlastnosti
  • Dvouřadé provedení
  • Polyamidové pouzdro
  • Nelze přimazávat
Výhody
  • Nevyžaduje údržbu
  • Mohou zachycovat vysoká radiální zatížení
  • Žádné zatížení krajů při šikmém postavení

Tento produkt má několik variant. Vyberte prosím konkrétní variantu z tabulky níže.

Dostupné varianty produktu

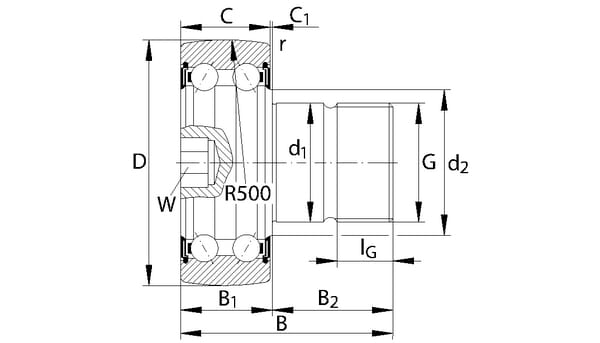
Produkt Košík Cena Značka Hmotnost Jednotka Výrobce Šířka Použití Těsnění Vlastnosti Přimazávací Počet řádků BCelková délka Délka hřídele Velikost klíče Vnitřní průměr DVnější průměr Typ modelu ložiska Originální číslo d1Průměr hřídele Max. pracovní teplota Min. provozní teplota Vnější kroužek šířka Délka montážního závitu Rozteč montážního závitu Průměr montážního závitu Základní osové zatížení dynamické Základní radiální únosnost statická
Vodicí kladka
Vodicí kladka
KR52022RS
3 638,83 Kč 3 007,30 Kč bez DPH
INA 0,19 kg Kus Schaeffler 15,9 mm
  • Balicí stroje
  • Transportní systémy
  • Přesuvné dveře
  • Napínací kladky
2RS
  • Dvouřadé provedení
  • Polyamidové pouzdro
  • Nelze přimazávat
Ne 2 53,2 mm 36,5 mm 8.0 mm 16 mm 40 mm Vodicí kladky KR5202-2RS 20 mm 120 °C -20 °C 15,9 mm 19 mm 1.50 mm M16 9900 N 6400 N
Vodicí kladka typ KR
Vodicí kladka typ KR
KR52012RS
3 027,90 Kč 2 502,40 Kč bez DPH
INA 0,12 kg Kus Schaeffler 15,9 mm
  • Balicí stroje
  • Transportní systémy
  • Přesuvné dveře
  • Napínací kladky
2RS
  • Dvouřadé provedení
  • Polyamidové pouzdro
  • Nelze přimazávat
Ne 2 49,2 mm 32,5 mm 6.0 mm 12 mm 35 mm Opěrné kladky s čepem KR5201-2RS 17,1 mm 120 °C -20 °C 15,9 mm 17 mm 1.50 mm M12 8600 N 5400 N