AgroBox

Vn?jší kroužek ložiska

Parametry produktu

Číslo položky 3720B
EAN 0053893129921
Jednotka Kus
Značka Timken
Použití
  • V uzavřeném prostředí s tukem a olejem
  • Hřídele kol
  • Převodovky
  • Axiální pístová čerpadla
  • Planetové převodovky
  • Ramena zadních kol
Vlastnosti Zachycují velká radiální a jednostranná axiální zatížení
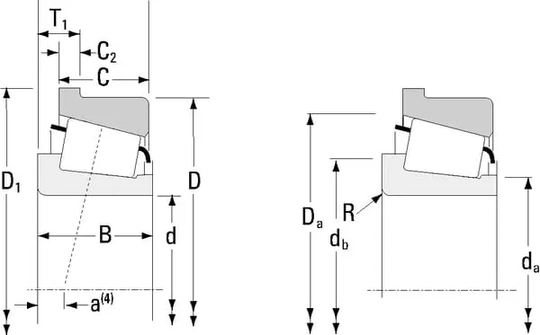
DVnější průměr 93,264 mm
dVnitřní průměr 52,388 mm
BDélka 23,813 mm
CVnější kroužek šířka 23,812 mm
DVnější průměr # 3-67/100 Inch
dVnitřní průměr # 2-1/16 Inch
BŠířka 15/16 Inch
rMax. poloměr pouzdra 3,3 mm

6 104,93 Kč s DPH

5 045,40 Kč bez DPH

Skladem