AgroBox

Vertikální napínač 210-U

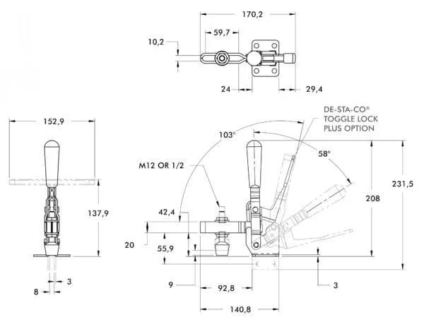
Parametry produktu

Použití
  • Pro všechny oblasti, ve kterých se pracuje s přídržnými silami až 5400 N.
  • Například montování, vrtání, zkoušení, lepení a další zpracování
  • Pro použití ve svařovacích přípravcích,
  • při výrobě kalibrů a ve všech oblastech dřevoprůmyslu.
Vlastnosti
  • Modely s přídržnou silou nad 1700 N mají kalené objímky, zajištěné proti překroucení
  • Nýty z nerezové oceli
  • Zinkováno a pasivováno
  • Plastová, ergonomicky tvarovaná rukojeť DE-STA-CO, odolná vůči médiím
  • Patentovaný bezpečnostní mezikus

Tento produkt má několik variant. Vyberte prosím konkrétní variantu z tabulky níže.

Dostupné varianty produktu

Produkt Košík Cena Značka Jednotka
Vertikální napínač Destaco
Vertikální napínač Destaco
DE210U
2 032,32 Kč 1 679,60 Kč bez DPH
Destaco Kus