AgroBox

Ventily pro čelní nakladače, 2 sekce, ručně ovládané, DLM142

Parametry produktu

Popis výrobku
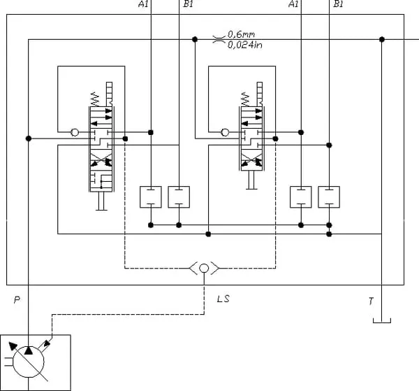
Ventil DLM pro čelní nakladače je robustní, kompaktní a odolný ventil LS se dvěma posuvnými madly. DLM142 je verze SDM143 se snímáním zátěže.
Výhody
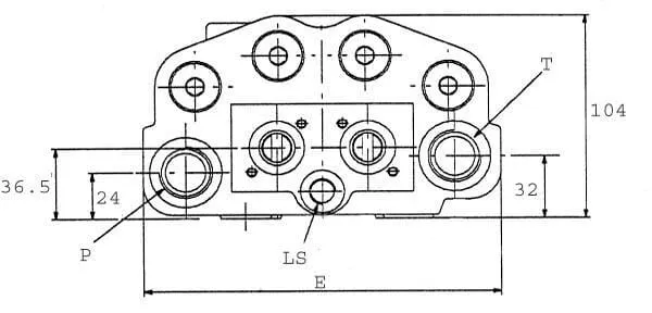
  • Připojení pro snímání zatížení a šoupátko
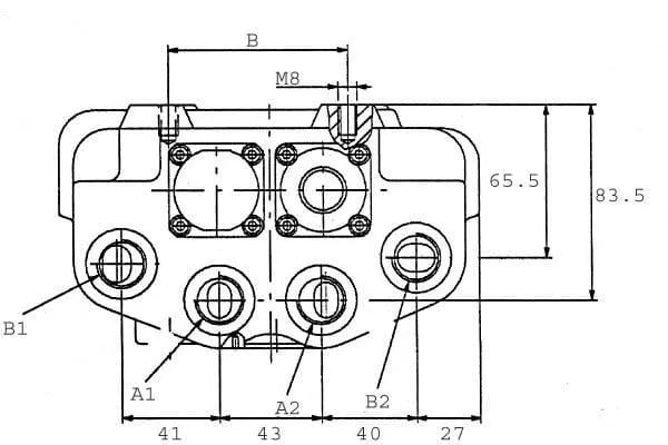
  • Čelní a zadní olejové přípojky
  • Vysoce kvalitní materiály
Podrobnosti
  • První segment, dvojčinný s přídavnou plovoucí polohou (5-13)
  • Druhý segment, dvojčinný, pružinový (1-8)
  • Otvory pro rázové ventily A a B
  • Paralelní zapojení
  • Ovládání bovdenovým lankem a křížovou pákou
  • Spojku Multifaster lze 4 šroubeními upevnit přírubou přímo na ventil
  • Každá pracovní sekce se zpětným ventilem v P-kanálu

Tento produkt má několik variant. Vyberte prosím konkrétní variantu z tabulky níže.

Dostupné varianty produktu

Produkt Košík Cena Značka Jednotka Kód modelu Typ vlákna Max. průsak EPočet sekcí Řada ventilů Typ ovládání ACelková délka Celková šířka Max. teplota média Maximální průtok Min. teplota média Přetlakový ventil Těsnicí materiál Spojuje a odpojuje kód Maximální pracovní tlak Typ závitu – připojení LS Port nádrže T – Typ závitu Tlakový port P – Typ závitu Max. tlak ve vratném potrubí Průměr závitu – připojení LS Port nádrže T – Průměr závitu Tlakový port P – Průměr závitu Průměr závitu pracovních portů
Řídicí ventil
Řídicí ventil
DLM142001
17 496,84 Kč 14 460,20 Kč bez DPH
Walvoil Kus n/a BSP 3 cm³/min 2 DLM142 Ovládání kabelem 272 mm 177 mm 80 °C 80 l/min -20 °C 80-210 BAR Nitrilová pryž [NBR] 5-13 + 1-8 250 BAR BSP BSP BSP 10 BAR 1/4 Inch 3/4 Inch 3/4 Inch 1/2 Inch