AgroBox

Ventil regulace průtoku

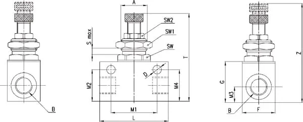
Parametry produktu

Číslo položky RFU44614
Jednotka Kus
Značka Camozzi
Typ závitu připojení BSP
APrůměr závitu připojení M20
Rozteč závitu připojení 1.50 mm
BPrůměr závitu připojení 1/4 Inch
Povrchový materiál Hliník
SWVelikost klíče 22.0 mm
SW2Velikost klíče 2 24.0 mm
FCelková šířka (průměr) 25 mm
ZCelková výška 69 mm
LCelková délka 52 mm
Těsnicí materiál Nitrilová pryž [NBR]
Připojení G1/4
Konstrukce jehlový
Provedení Ventily řídící průtok

492,65 Kč s DPH

407,15 Kč bez DPH

Skladem