Valivé ložisko
Parametry produktu
| Číslo položky | 203KRR2 |
|---|---|
| EAN | 1200106049722 |
| Jednotka | Kus |
| Značka | PEER Bearing |
| Popis výrobku | Ložiska PEER jsou precizní součásti klíčové pro hladký chod rotačních hřídelí, kol, řemenic apod. Vyznačují se dlouhou životností při různorodém použití ve všech průmyslových odvětvích. Tato produktová řada zahrnuje kuličková ložiska s hlubokou drážkou, kuželíková ložiska, ložisková tělesa, ložiska pro zemědělství a řadu dalších. |
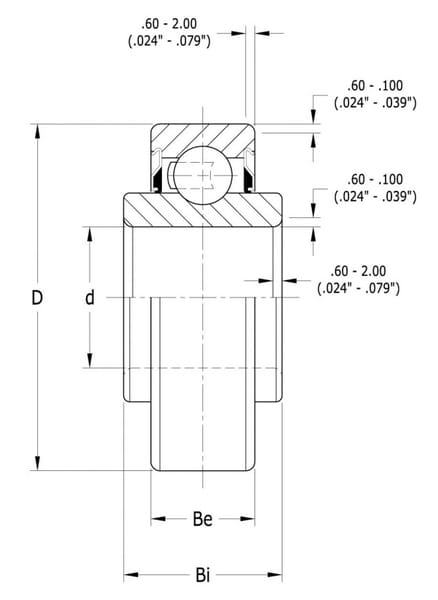
| dVnitřní průměr ložiska | 16,256 mm |
| DVnější průměr | 40 mm |
| BeCelková šířka | 18,29 mm |
| BiŠířka vnitřního kroužku ložiska | 18 mm |
| Základní radiální únosnost statická | 4790 N |
| Základní osové zatížení dynamické | 9570 N |
304,92 Kč s DPH
252,00 Kč bez DPH
Skladem