Válec Výměnitelný systém CW0 r
Parametry produktu
| Číslo položky | D162555CW0R |
|---|---|
| EAN | 8719607006774 |
| Jednotka | Kus |
| Značka | Kramp |
| Kategorie použití | Rychlospojky |
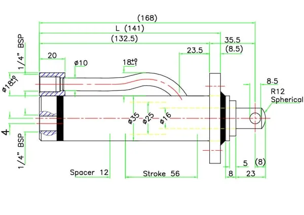
| Průměr tyče | 16 mm |
| Typ | Dvojčinné |
| Zdvih | 55 mm |
| Min. délka | 144 mm |
| Max. pracovní tlak | 250 BAR |
| Typ upevnění – připojení válce | Příruba |
| Montážní průměr – připojení válce | 9 mm |
| Průměr montážního závitu – připojení válce | 1/4 Inch |
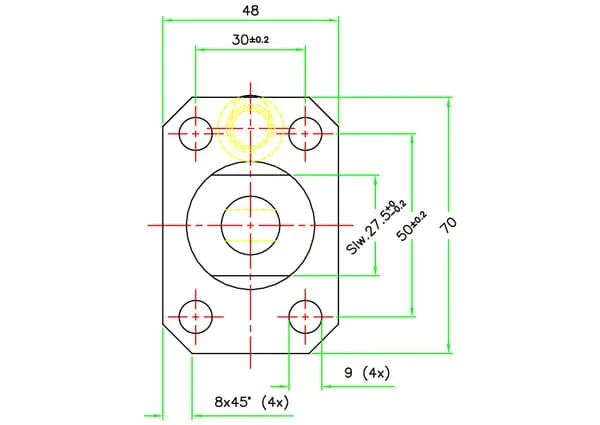
| Vzdálenost montážních otvorů – připojení válce |
|
| Typ upevnění – připojení tyče | Vývrt |
| Montážní průměr – připojení tyče | 8,5 mm |
| Průměr montážního otvoru – připojení tyče | 8,5 mm |
| Vnější průměr | 35 mm |
| Průměr montážního otvoru – připojení válce | 9 mm |
| Šířka montážní hlavy | 48 mm |
| Délka montážní hlavy | 70 mm |
| Originální číslo | CW0 |
| Materiál válce | Nerezová ocel 52.0 |
| Kód třídy tolerance materiálu válce | H10 |
| Materiál tyče |
|
| Povrchová hrubost tyče | 0,25 µm |
| Povrchová úprava tyče | Chromované |
| Materiál matice hlavy | Ocel |
| Vzdálenost konce válce ke konci tyče | 176 mm |
| Vnitřní průměr válce | 25 mm |
2 582,02 Kč s DPH
2 133,90 Kč bez DPH
K odeslání za 3 dnů