AgroBox

Válec NSLS 500

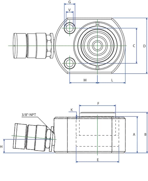
Parametry produktu

Číslo položky 8210500
Jednotka Kus
Značka Betex
FPrůměr tyče 66,5 mm
Zdvih 16 mm
AMin. délka 66 mm
BMax. délka 82 mm
Typ upevnění – připojení válce Bez montáže
Průměr montážního závitu – připojení válce M11
Typ upevnění – připojení tyče Bez montáže
Max. kapacita 50 t
Kapacita oleje 113 cm³
KVzdálenost konce válce ke konci tyče 2 mm
HVzdálenost středu připojení oleje ke konci válce – strana válce 19 mm
EVnitřní průměr válce 70 mm
MVzdálenost středu montážního otvoru ke středu tyče 58 mm
DŠířka
  • 145 mm
  • 115 mm
Hmotnost 6,8 kg

38 034,41 Kč s DPH

31 433,40 Kč bez DPH

Skladem