AgroBox

Válec NSLS 300

Parametry produktu

Číslo položky 8210300
Jednotka Kus
Značka Betex
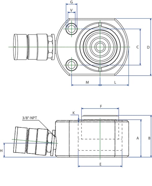
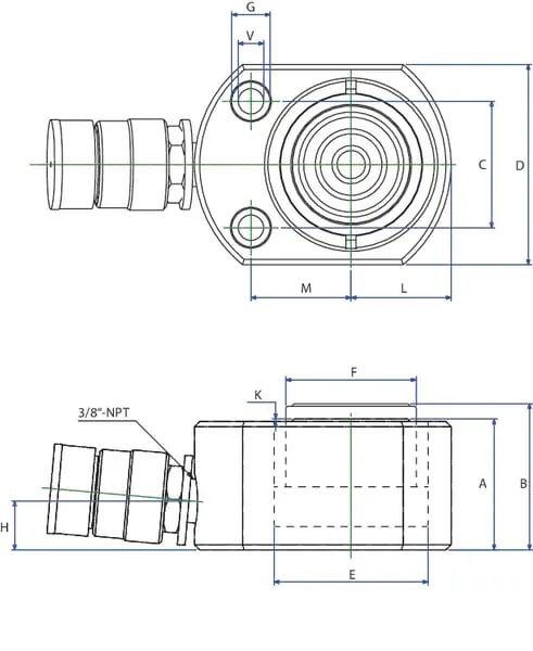
FPrůměr tyče 52,3 mm
Zdvih 13 mm
AMin. délka 58 mm
BMax. délka 71 mm
Typ upevnění – připojení válce Bez montáže
Typ upevnění – připojení tyče Bez montáže
Max. kapacita 30 t
Kapacita oleje 54 cm³
KVzdálenost konce válce ke konci tyče 2 mm
HVzdálenost středu připojení oleje ke konci válce – strana válce 19 mm
EVnitřní průměr válce 52 mm
MVzdálenost středu montážního otvoru ke středu tyče 47,5 mm
DŠířka
  • 117,5 mm
  • 95 mm
Hmotnost 4,5 kg

24 706,14 Kč s DPH

20 418,30 Kč bez DPH

Skladem