AgroBox

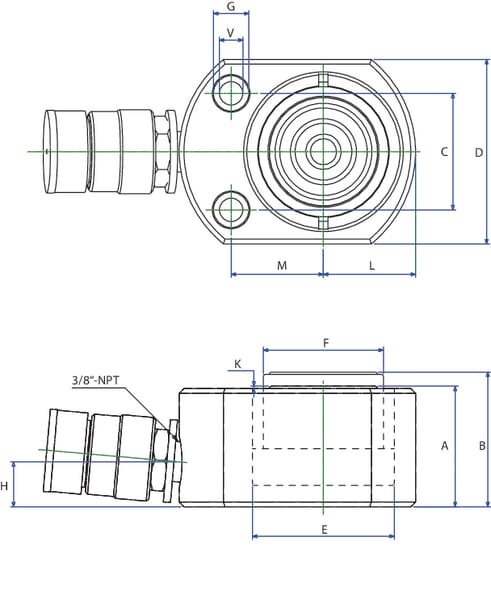
Válec NSLS 200

Parametry produktu

Číslo položky 8210200
Jednotka Kus
Značka Betex
FPrůměr tyče 49,3 mm
Zdvih 12 mm
AMin. délka 51 mm
BMax. délka 63 mm
Typ upevnění – připojení válce Bez montáže
Průměr montážního závitu – připojení válce M10
Typ upevnění – připojení tyče Bez montáže
Max. kapacita 20 t
Kapacita oleje 34 cm³
KVzdálenost konce válce ke konci tyče 1 mm
HVzdálenost středu připojení oleje ke konci válce – strana válce 19 mm
EVnitřní průměr válce 51 mm
MVzdálenost středu montážního otvoru ke středu tyče 39 mm
DŠířka
  • 100 mm
  • 78 mm
Hmotnost 3,1 kg

21 617,74 Kč s DPH

17 865,90 Kč bez DPH

Skladem