AgroBox

Válec NSLS 100

Parametry produktu

Číslo položky 8210100
Jednotka Kus
Značka Betex
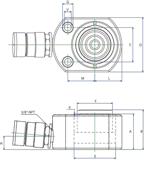
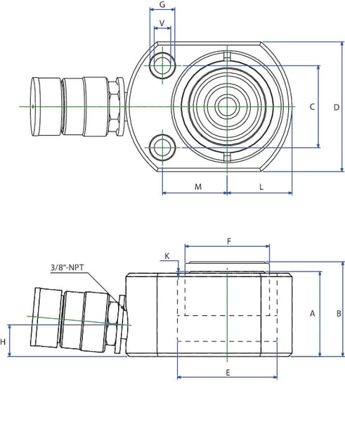
FPrůměr tyče 36,5 mm
Zdvih 12 mm
AMin. délka 42 mm
BMax. délka 54 mm
Typ upevnění – připojení válce Bez montáže
Typ upevnění – připojení tyče Bez montáže
Max. kapacita 10 t
Kapacita oleje 18 cm³
KVzdálenost konce válce ke konci tyče 1 mm
HVzdálenost středu připojení oleje ke konci válce – strana válce 19 mm
EVnitřní průměr válce 38 mm
MVzdálenost středu montážního otvoru ke středu tyče 34 mm
DŠířka
  • 82,5 mm
  • 60 mm
Hmotnost 1,4 kg

17 539,43 Kč s DPH

14 495,40 Kč bez DPH

Skladem