AgroBox

Teplotní snímač Pt100 300m

Parametry produktu

Číslo položky TF54PT100300
EAN 4251325607481
Jednotka Kus
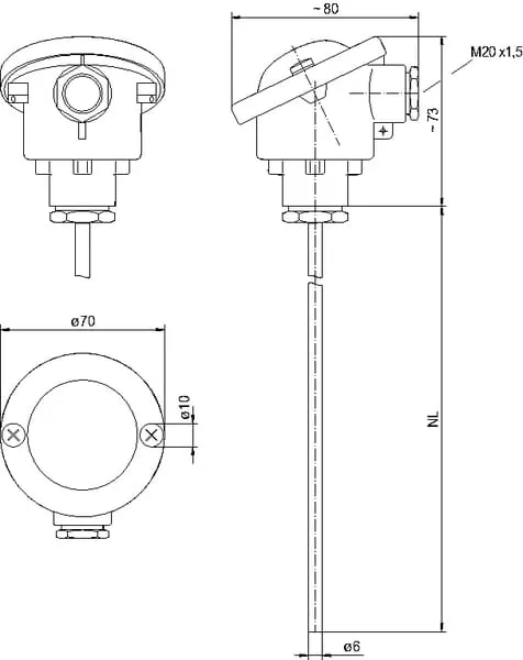
Popis výrobku Odporový teploměr TF54 s rovnou ochrannou trubicí, připojovací hlavice z hliníku. Používá se k měření teploty kapalných a plynných médií v potrubí, nádržích nebo zásobnících.
Výhody
  • Snadná montáž pomocí klipů
  • Snadné nastavení pomocí šroubováku
Podrobnosti
  • TF54 Pt100 150mm Teplotní čidlo pasivní
  • Hliníková připojovací hlavice
  • Teplota kapaliny: -35 °C až +180 °C
  • Senzory / výstup: PT100
  • Dvouvodičové připojení
  • Pouzdro: hliník, okolní teplota -20 °C/ +100 °C – 20×1,5
  • Elektrické připojení: 0,14 – 2,5 mm², šroubové připojení na keramické základně
  • Třída ochrany: III (podle EN 60 730)
  • Třída ochrany: IP 54 (podle EN 60529)
  • Ampéry při 230V: 15A
  • Proud při 400 V: 10 A
  • Proud při 440 V: 8 A
Obsah balení
  • Termostat
  • Ochrannou trubku proti ponoření typu THV je třeba objednat zvlášť
Délka vložky 300 mm
Počet NC kontaktů 1
Počet NO kontaktů 1
Třída ochrany IP 55
Konstrukce Jednopólový tyčový regulátor teploty s přepínacím kontaktem, v plombovatelném pouzdru z lehkého kovu utěsněném proti stříkající vodě (IP 55), s vnitřní nastavovací stupnicí.
Montáž Přesuvná trubka se zašroubuje do závitového otvoru (R 1/2″) v olejové nádrži. Tyčový regulátor teploty se potom zasune dovnitř a zajistí na pouzdru pružinovou sponou. Nastavení se provádí šroubovákem zasunutým do otvoru na čelní straně.

4 189,38 Kč s DPH

3 462,30 Kč bez DPH

K odeslání za 3 dnů