AgroBox

Tělo spony 12mm (1)

Parametry produktu

Číslo položky RS911012P001
Jednotka Sada
Značka Stauff
Výhody
  • Dobrá odolnost proti UV záření
  • Dlouhá životnost
Podrobnosti
  • Standardní trubkové spony, typ RS
  • P001: 1 pár
  • P005: 5 párů
  • P025: 25 párů
Obsah balení 2 poloviny (1 pár)
Řada Standard
Kód skupiny 0
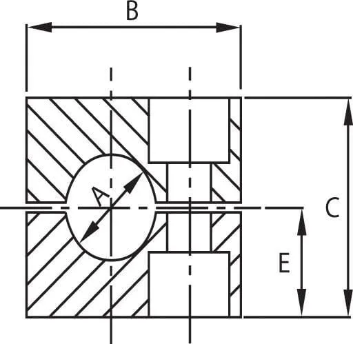
Průměr 12 mm
Materiál Polypropylen
Norma DIN 3015
Verze Jednoduché, nekompletní
BŠířka 28 mm
CVýška 27 mm
Vzdálenost od středového montážního otvoru po bočnici 13,5 mm
Rozteč otvorů 9,5 mm
Min. provozní teplota -30 °C
Max. pracovní teplota 90 °C
Barva Černá

10,08 Kč s DPH

8,33 Kč bez DPH

Skladem