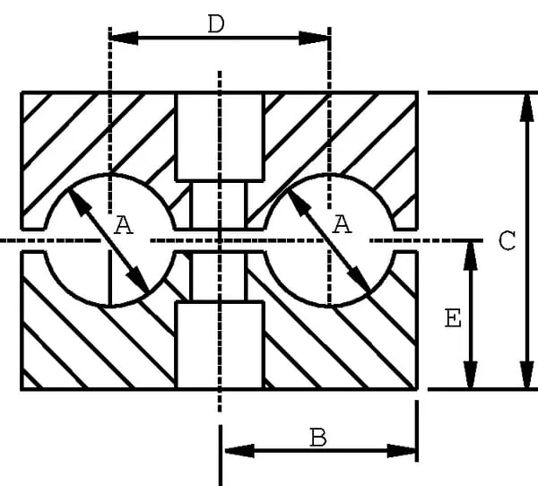
Tělesa dvojitých držáků trubek z plastu
Parametry produktu
| Zvláštnosti | Dobrá odolnost proti UV záření |
|---|---|
| Vlastnosti | Žebrovaná vnitřní plocha |
| Obsah | 2 poloviny (1 pár) |
| Výhody | Dlouhá životnost |
Tento produkt má několik variant. Vyberte prosím konkrétní variantu z tabulky níže.
Dostupné varianty produktu
| Produkt | Košík | Cena | Barva | Obsah | Výhody | Značka | Jednotka | Průměr | Materiál | Vlastnosti | Zvláštnosti | Max. pracovní teplota | Min. provozní teplota |
|---|---|---|---|---|---|---|---|---|---|---|---|---|---|
Sada spony 13,5/13,5 mm
RS912204PA
|
55,54 Kč
45,90 Kč bez DPH
|
Černá | 2 poloviny (1 pár) | Dlouhá životnost | RSB | Pár | 13,5 mm | Polyamid | Žebrovaná vnitřní plocha | Dobrá odolnost proti UV záření | 120 °C | -40 °C | |
Trubková spona PP 22/22 mm (25)
RS912322P025
|
754,92 Kč
623,90 Kč bez DPH
|
Černá | 2 poloviny (1 pár) | Dlouhá životnost | Stauff | Sada | 22 mm | Polyamid | Žebrovaná vnitřní plocha | Dobrá odolnost proti UV záření | 120 °C | -40 °C |