AgroBox

Tapered roller bearing 25.4×50.3×14.74×10.67mm Timken

Parametry produktu

Číslo položky L44600LA902B5
EAN 0053893709598
Jednotka Kus
Značka Timken
Použití
  • V uzavřeném prostředí s tukem a olejem
  • Hřídele kol
  • Převodovky
  • Axiální pístová čerpadla
  • Planetové převodovky
  • Ramena zadních kol
Vlastnosti Zachycují velká radiální a jednostranná axiální zatížení
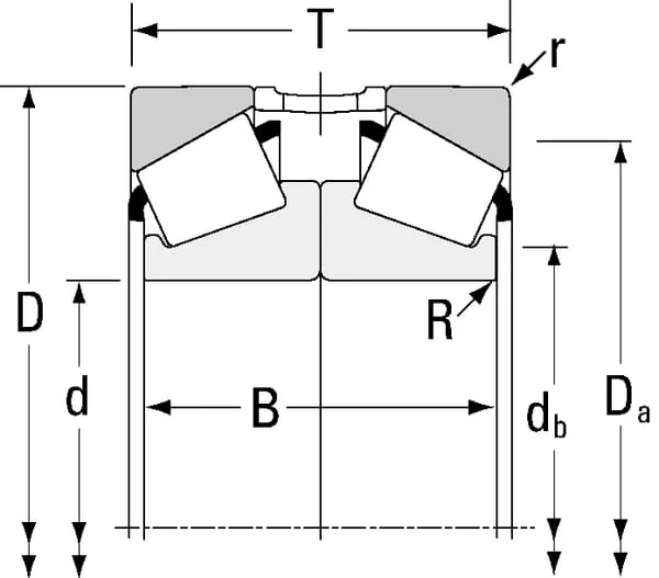
dVnitřní průměr 25,4 mm
DVnější průměr 50,29 mm
TŠířka 31,62 mm
Počet řádků 2
Těsnění Otevřené
Tvar vnitřního kroužku Válcový
Typ modelu ložiska Kuželíková ložiska
Základní radiální únosnost statická 65800 N
Základní osové zatížení dynamické 62000 N
Kód vnitřní radiální vůle n/a
CVnější kroužek šířka 24,511 mm
BŠířka vnitřního kroužku 31,623 mm
Materiál Ocel
rMax. poloměr pouzdra 1,3 mm
Původní balení od výrobce 1 ks
Hmotnost 0,27 kg
Povrchová úprava n/a
Výrobce Timken

5 211,95 Kč s DPH

4 307,40 Kč bez DPH

Skladem