AgroBox

Střednětlaké filtry, typ FMP 135

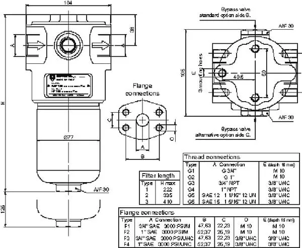
Parametry produktu

Popis výrobku
Řadu FMP tvoří univerzální vysokotlaké filtry, které se používají k ochraně citlivých součástí hydraulických vysokotlakých soustav až do 320 bar.
Výhody
Lze umístit do jakéholi polohy v soustavě trubek
Podrobnosti
  • Vhodné pro minerální olej
  • Maximální rozdíl tlaků mezi vložkami: 20 bar (řada N) nebo 210 bar (řada S)
  • Filtrace z vnějšku dovnitř
  • Maximální provozní tlak: 320 bar
  • Trhací tlak: 840 bar
  • Teplota: -25° C až +110° C
  • Pracovní výška představuje volný prostor pod filtrem nutný pro výměnu vložky
  • Otevírací tlak obtoku: 6 bar +-10 %
  • Průtok závisí na velikosti sestavy a zvoleném filtru
  • Materiál filtrační vložky: skelné vlákno (A) nebo kov (M)
  • Filtrační vložky dostupné jako A03 / A06 / A10 / A25 / M60 (v µm)
Obsah balení
Filtr se standardně dodává bez kontrolní zátky

Tento produkt má několik variant. Vyberte prosím konkrétní variantu z tabulky níže.

Dostupné varianty produktu

Produkt Košík Cena Obtok Délka Médium Výhody Výška Značka Jednotka Obsah balení Mikronový filtr Tlak poškození Úroveň filtrace Vnější průměr Maximální průtok Originální číslo Povrchový materiál Filtrační materiál Min. provozní teplota Maximální pracovní tlak Maximální pracovní teplota Průměr závitu portu vstupu Průměr závitu portu výstupu
Středotlaký filtr
Středotlaký filtr
FMP1351A10
7 653,49 Kč 6 325,20 Kč bez DPH
Ano 222 mm Hydraulický olej Lze umístit do jakéholi polohy v soustavě trubek 221 mm MP Filtri Kus Filtr se standardně dodává bez kontrolní zátky 10 µm 210 BAR Absolutní 104 mm 120 l/min FMP135-1-B-A-G1-A10-N-P01 Ocel Skleněné vlákno -25 °C 320 BAR 110 °C 3/4 Inch 3/4 Inch
Středotlaký filtr
Středotlaký filtr
FMP1351P10
6 909,71 Kč 5 710,50 Kč bez DPH
Ano 222 mm Hydraulický olej Lze umístit do jakéholi polohy v soustavě trubek 221 mm MP Filtri Kus Filtr se standardně dodává bez kontrolní zátky 10 µm 20 BAR Nominální 104 mm 171 l/min FMP135-1-B-A-G1-P10-N-P01 Ocel Papír -25 °C 320 BAR 110 °C 1 Inch 3/4 Inch
Středotlaký filtr 1"BSP 2- B-A-G2-P10-N
Středotlaký filtr 1"BSP 2- B-A-G2-P10-N
FMP1352P10
8 252,44 Kč 6 820,20 Kč bez DPH
Ano 335 mm Hydraulický olej Lze umístit do jakéholi polohy v soustavě trubek 334 mm MP Filtri Kus Filtr se standardně dodává bez kontrolní zátky 10 µm 20 BAR Nominální 104 mm 211 l/min FMP135-2-B-A-G2-P10-N-P01 Ocel Papír -25 °C 320 BAR 110 °C 1 Inch 1 Inch
Tlakový filtr FMP135-2-A10-N
Tlakový filtr FMP135-2-A10-N
FMP1352A10N
11 878,81 Kč 9 817,20 Kč bez DPH
Ano 334 mm Hydraulický olej Lze umístit do jakéholi polohy v soustavě trubek 334 mm MP Filtri Kus Filtr se standardně dodává bez kontrolní zátky 10 µm 20 BAR Absolutní 104 mm 149 l/min FMP135-2-B-A-G2-A10-N-P01 Ocel Skleněné vlákno -25 °C 320 BAR 110 °C 1 Inch 1 Inch