AgroBox

Stojaté ložisko kompletní

Parametry produktu

Číslo položky PASE25
EAN 4012802838985
Jednotka Kus
Značka INA
Popis výrobku Pouzdro ložiska kompl. INA/FAG, typ PASE
Vlastnosti
  • Vnitřní ložisko má jednostranně prodloužený vnitřní kroužek s upínacím kroužkem
  • Lze přimazávat
Technická informace Doplnění FA125: dodatečná ochrana proti korozi
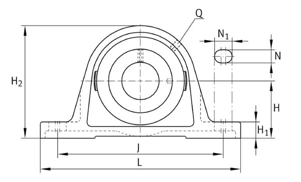
Typ pouzdra Stojaté ložisko
dVnitřní průměr ložiska 25 mm
Šířka montážního středového otvoru 11 mm
Obsah
  • • Ložiskový blok
  • Upínací kroužek
WCelková délka 130 mm
BŠířka pouzdra 36 mm
HCelková výška 70 mm
AVertikální rozteč hřídele 36,5 mm
Vzdálenost montážních otvorů 102,5 mm
OVzdálenost kuliček ložiska k montážnímu povrchu 23,5 mm
M1Rozsah průměrů montážních otvorů 94.5-110.5 mm
KPrůměr montážních otvorů 9,6 mm
Délka montážních otvorů 19 mm
Průměr závitu maznice M6
Hmotnost 0,7 kg
Originální číslo PASE25-N
Výrobce Schaeffler

1 048,71 Kč s DPH

866,70 Kč bez DPH

Skladem