AgroBox

Šroubovací zpětné filtry, typ MPS-R

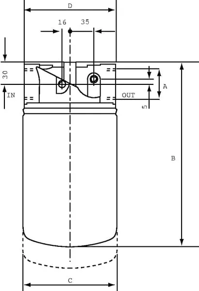
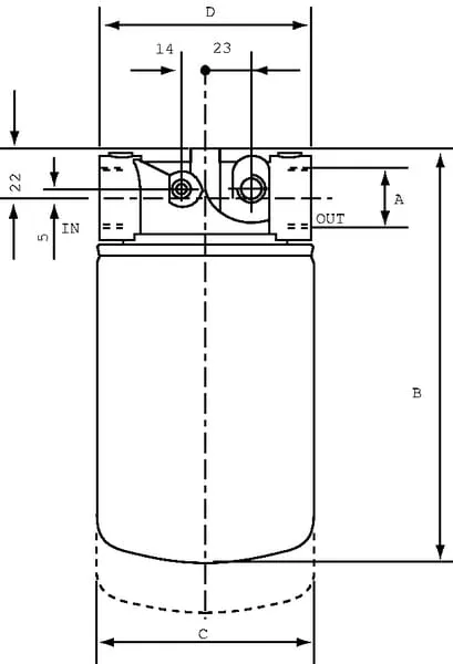
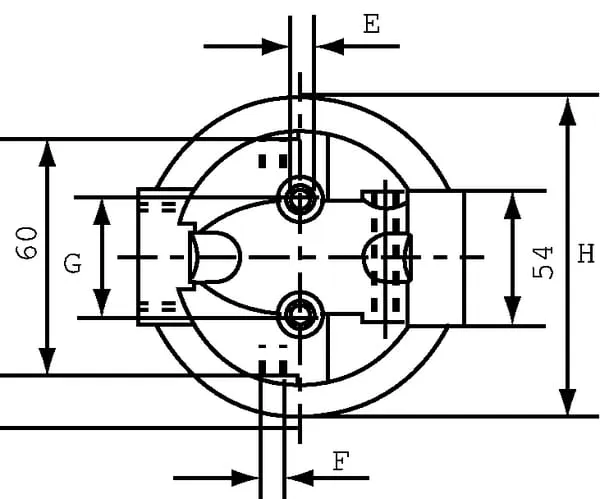
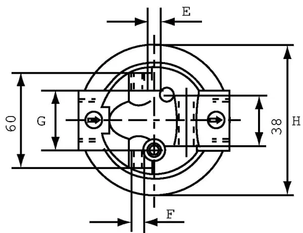
Parametry produktu

Popis výrobku
Filtry MPS-R jsou kombinací hlavy filtru MPS a vratného filtru CS. Hliníkovou hlavu filtru lze snadno a rychle namontovat do soustavy trubek, představuje cenově výhodnou alternativu vestavěným filtrům. Hlava filtru je standardně vybavena obtokem a volitelně ji lze doplnit o indikátor nečistot.
Zobrazit více
Podrobnosti
  • Použití: zpětný filtr
  • Montáž: montáž na trubku, filtr ve vertikální poloze
  • Lze kombinovat s filtračními vložkami typu CS
  • Provozní tlak: max. 12 bar
  • Materiál: hliník
  • Médium: vhodné pro minerální oleje
  • Teplota: -25 °C až +110 °C
  • Filtrace: z vnějšku dovnitř
  • Otevírací tlak obtoku vratného filtru: 1,75 bar
  • Průtok závisí na velikosti konstrukce a typu filtru
  • Materiál filtrační vložky: skelné vlákno (A), papír (P) nebo kov (M)
  • Filtrační vložky k dispozici jako M25 / M60 / P10 / P25 / A03 / A06 / A10 / A16 / A25 (v µm)

Tento produkt má několik variant. Vyberte prosím konkrétní variantu z tabulky níže.

Dostupné varianty produktu

Produkt Košík Cena Obtok Médium Výška Značka Jednotka Vnější průměr
Zpětný filtr 1 1/2 BSP
Zpětný filtr 1 1/2 BSP
MPS200RP10
4 615,91 Kč 3 814,80 Kč bez DPH
Ano Hydraulický olej 426 mm MP Filtri Kus 133 mm
Zpětný filtr 1 1/4 BSP
Zpětný filtr 1 1/4 BSP
MPS100RP10
3 037,16 Kč 2 510,05 Kč bez DPH
Ano Hydraulický olej 241 mm MP Filtri Kus 129 mm
Zpětný filtr 1 1/4 BSP
Zpětný filtr 1 1/4 BSP
MPS150RP10
2 875,69 Kč 2 376,60 Kč bez DPH
Ano Hydraulický olej 295 mm MP Filtri Kus 133 mm
Zpětný filtr 12-P25-S 3/4
Zpětný filtr 12-P25-S 3/4
MPS070RP25
1 414,19 Kč 1 168,75 Kč bez DPH
Ano Hydraulický olej 256 mm MP Filtri Kus 96 mm
Zpětný filtr 20-A10-S 1 1/4
Zpětný filtr 20-A10-S 1 1/4
MPS100RA10
3 252,12 Kč 2 687,70 Kč bez DPH
Ano Hydraulický olej 246 mm MP Filtri Kus 133 mm
Zpětný filtr 3/4 BSP
Zpětný filtr 3/4 BSP
MPS050RP10
1 239,34 Kč 1 024,25 Kč bez DPH
Ano Hydraulický olej 180 mm MP Filtri Kus 96 mm
Zpětný filtr MPS 050-R-G1-P25
Zpětný filtr MPS 050-R-G1-P25
MPS050RG1P25
1 342,19 Kč 1 109,25 Kč bez DPH
Ano Hydraulický olej 180 mm MP Filtri Kus 96 mm