Šroubení měřicího bodu
Parametry produktu
| Číslo položky | MA2012 |
|---|---|
| Jednotka | Kus |
| Značka | Spradow |
| Popis výrobku | Přípojka tlakoměru typ MA |
| Podrobnosti |
|
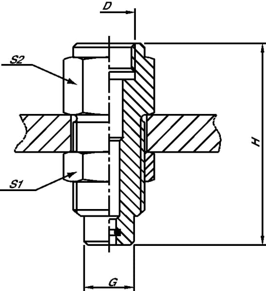
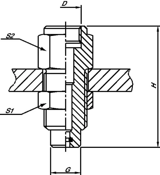
| Tvar | Přímé |
| Typ připojení č. 1 – vnější/vnitřní | Vnitřní |
| Typ závitu připojení č. 1 | BSP |
| Typ připojení č. 1 | Závit |
| DPrůměr závitu připojení č. 1 | 1/2 Inch |
| DZávity na palec připojení č. 1 | 14 |
| S1Velikost klíče připojení č. 1 | 24.0 mm |
| Typ připojení číslo 2 – vnější/vnitřní | Vnější |
| Typ závitu připojení číslo 2 | Metrický |
| Typ připojení číslo 2 | Závit |
| GPrůměr závitu připojení číslo 2 | M16 |
| Stoupání závitu připojení číslo 2 | 2.00 mm |
| S2Velikost klíče připojení číslo 2 | 27.0 mm |
| Materiál | Ocel |
| Povrchová úprava | Zinc, Nickel-plated |
| Max. pracovní tlak | 630 BAR |
| HCelková délka | 66 mm |
| Připojení | M 16 x 2 |
| Materiál # | Ocel |
| Povrch úprava | Zinek / Nikl |
223,25 Kč s DPH
184,50 Kč bez DPH
Skladem