AgroBox

Škrticí patrony CP610-1

Parametry produktu

Vlastnosti
  • Tato patrona škrticího ventilu omezuje objemový proud v obou směrech průtoku
  • Lze použít také jako uzavírací ventil
  • Nastavení se provádí ručním kolečkem

Tento produkt má několik variant. Vyberte prosím konkrétní variantu z tabulky níže.

Dostupné varianty produktu

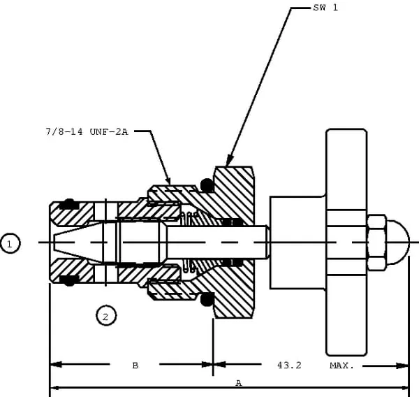
Produkt Košík Cena Dutina Průtok Značka Jednotka Max. tlak Extra info Typ seřízení ACelková délka Průměr závitu BDélka bez matice Montážní moment SW1Velikost klíče
Škrticí patrona
Škrticí patrona
CP6101B0B
1 379,22 Kč 1 139,85 Kč bez DPH
  • CP10-2
  • SDC10-2
53 l/min Danfoss Kus 207 BAR Regulace otáček válců a motorů při konstantním zatížení Kohoutek 75 mm 7/8 Inch 31,8 mm 47 N·m 25.4 mm
Škrticí patrona
Škrticí patrona
CP6101B0R
1 673,37 Kč 1 382,95 Kč bez DPH
  • CP10-2
  • SDC10-2
53 l/min Danfoss Kus 207 BAR Regulace otáček válců a motorů při konstantním zatížení Kohoutek 75 mm 7/8 Inch 31,8 mm 47 N·m 25.4 mm