AgroBox

Sestava náboje

Parametry produktu

Číslo položky F67327004TILL
EAN 4064327141859
Jednotka Kus
Značka INA
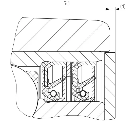
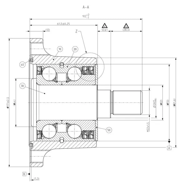
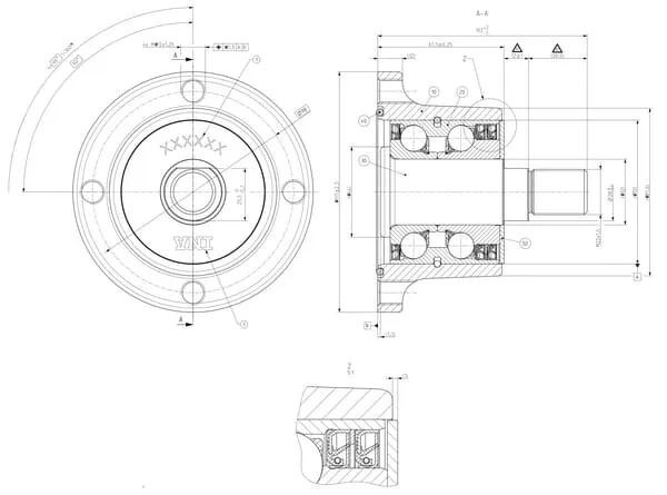
Typ pouzdra Kulatá příruba
Vnitřní průměr ložiska 32 mm
Celková délka 117 mm
Vnější průměr 117 mm
Celková výška 102 mm
Výška pouzdra 61,5 mm
Tloušťka příruby 12 mm
Průměr kruhu montážních otvorů/šroubů 98 mm
Počet montážních otvorů 4
Průměr montážního závitu M12
Stoupání montážního závitu 1.25 mm
Průměr závitu hřídele M22
Materiál ložiska Ocel
Základní radiální únosnost statická 40000 N
Základní osové zatížení dynamické 50000 N
Originální číslo 0951345900000
Výrobce Schaeffler

1 818,39 Kč s DPH

1 502,80 Kč bez DPH

Skladem