AgroBox

Sada štíp. dř. GX160 4,8 HP 2,6

Parametry produktu

Číslo položky MPP85F002
EAN 8719732845934
Jednotka Kus
Značka Kramp
Výhody
  • Snadno se používá
  • Dlouhá životnost
  • Úspora nákladů
  • Univerzální montáž
  • Vysoká kvalita
Podrobnosti
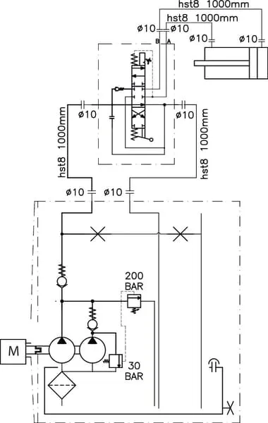
  • Agregát vybavený E-motorem 1,5 kW
  • Vybaveno dvojitým čerpadlem
  • Čerpadlo 1 = 2 cm3 35 barů
  • Čerpadlo 2 = 4,9 cm3 200 barů
  • Při tlaku nad 35 barů je čerpadlo 1 vypnuto
  • Vysoký průtok – nízký tlak pro rychlý výstupní zdvih válce
  • Nízký průtok – vysoký tlak pro silný výstupní zdvih válce
  • Ručně ovládaný regulační ventil 3/8“ s diferenční funkcí a automatickým zpětným chodem
  • Válec D4580450C: maximální síla stlačení 10 000 kg, délka zdvihu 450 mm
Obsah balení
  • Agregát vybavený E-motorem 1,5 kW
  • Válec D45-80-450C
  • Řídicí ventil
  • 22litrová ocelová vertikální nádrž
  • 4 hydraulické hadice o délce 1 metr včetně spojovacích prvků
  • Obecné pokyny pro údržbu a obsluhu
  • Prohlášení o shodě ES
  • Hydraulické schéma
Objem nádrže 22 l
Jmenovitý objemový průtok 4,9 cm³/rev
Výkon motoru 3,6 kW
Výkon motoru # 4,8 HP
Max. soustavný provozní tlak 30 BAR

82 958,81 Kč s DPH

68 561,00 Kč bez DPH

Skladem