AgroBox

Sada pro Walvoil SD8

Parametry produktu

Číslo položky IMC98
Jednotka Kus
Značka Indemar
Podrobnosti
  • Montážní sady
  • Walvoil a Dura
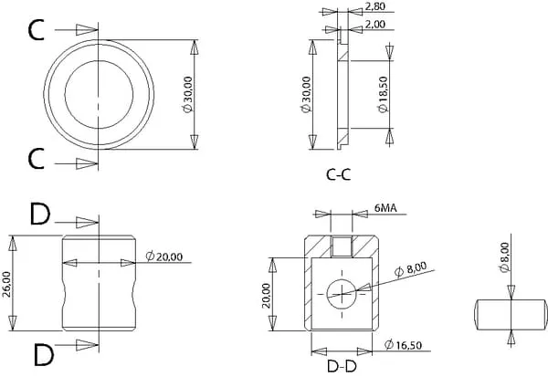
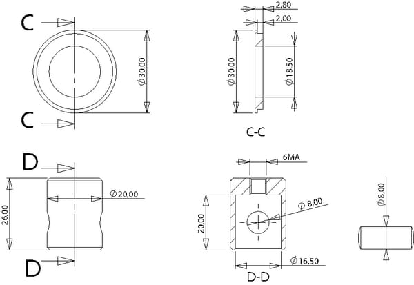
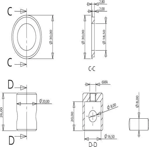
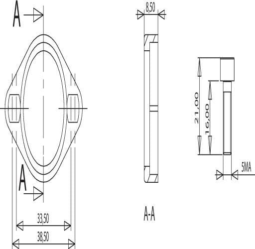
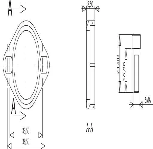
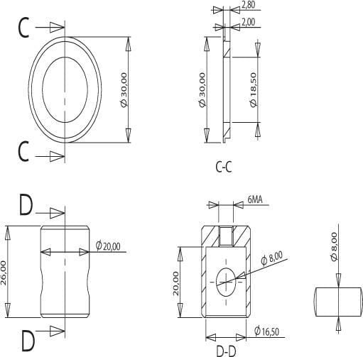
Průměr závitu M16
Stoupání závitu 1.50 mm
Průměr šroubu 5 mm
Vzdálenost mezi středy otvorů 36 mm
Vnější průměr objímky 28 mm
Celková délka 85 mm

549,95 Kč s DPH

454,50 Kč bez DPH

Skladem