AgroBox

Sada pro rekonstrukci

Parametry produktu

Číslo položky SD95B81A2
Jednotka Kus
Značka Walvoil
Extra info
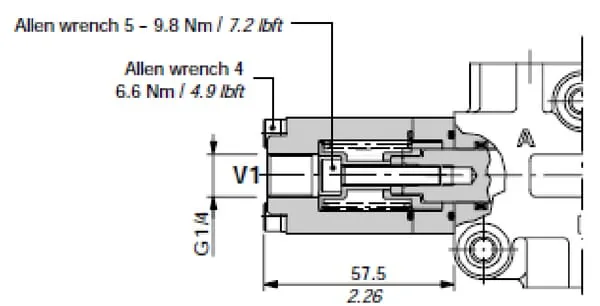
  • Pouze pro DF5
  • Montáž na stranu B
  • V kombinaci s 17YME na straně A
  • Regulační tlak: 30 až 250 barů

2 083,26 Kč s DPH

1 721,70 Kč bez DPH

Skladem