AgroBox

Sada pro přestavbu typ 8IM-SD5

Parametry produktu

Číslo položky SD95A8IM
Jednotka Kus
Značka Walvoil
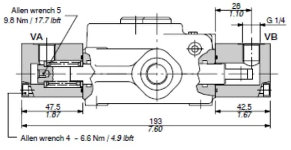
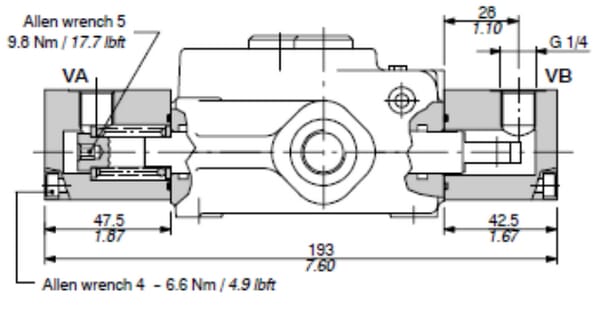
Popis výrobku Hydraulické ovládání pro ručně ovládané skluzy řízení typu SD
Min. ovládací tlak 16 BAR
Max. ovládací tlak 50 BAR
Extra info Hydraulické proporcionální

1 902,73 Kč s DPH

1 572,50 Kč bez DPH

Skladem