AgroBox

Sací filtry typu SF2-250

Parametry produktu

Popis výrobku
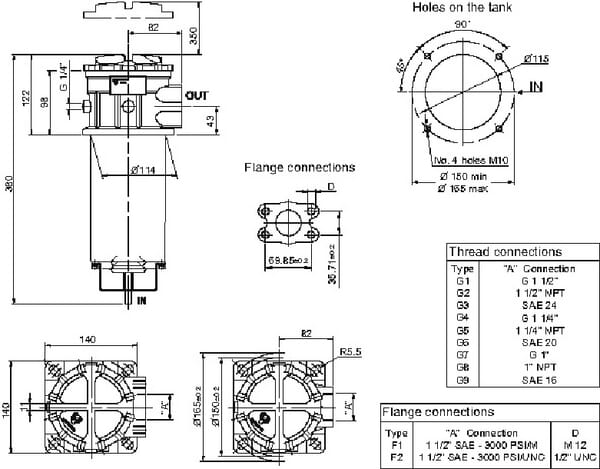
Sací filtry řady SF2-250 jsou určeny k horizontální instalaci do nádrže pod hladinou oleje. Skříň filtru je vybavena uzavíracím ventilem, který umožňuje výměnu filtrační vložky bez vyprázdnění nádrže. Po otevření víka filtru se okamžitě zavře.
Zobrazit více
Výhody
  • Chrání čerpadla před hrubými nečistotami
  • Výměna filtrů bez nutnosti vyprázdnění nádrže
Podrobnosti
  • Použití: sací filtr
  • Montáž na nádrž, pod hladinou oleje
  • V kombinaci s filtračními prvky typu SF
  • Materiál: hliník
  • Médium: vhodné pro minerální oleje
  • Teplota: -25° C až +110° C
  • Filtrace z vnitřku ven
  • Průtok až 160 l/min závisí na velikosti sestavy a výběru filtru
  • Filtrační prvky jsou k dispozici jako kovové (M), M25 / M60 / M90 / M250
  • Těsnění NBR; Viton na vyžádání
  • Je vybaven integrovaným ventilem, takže při výměně filtru nedochází ke ztrátě oleje
  • Jiná verze na vyžádání
  • S = s obtokem 0,3 baru, bez magnetického jádra
Obsah balení
  • Těleso filtru
  • Filtrační vložka

Tento produkt má několik variant. Vyberte prosím konkrétní variantu z tabulky níže.

Dostupné varianty produktu

Produkt Košík Cena Obtok Médium Výška Značka Jednotka Obsah balení Mikronový filtr Úroveň filtrace Vnější průměr Filtrační materiál Min. provozní teplota Min. rychlost průtoku Maximální pracovní teplota Průměr závitu portu výstupu
Filtr sání
Filtr sání
SF2250M25
7 729,72 Kč 6 388,20 Kč bez DPH
Ano Hydraulický olej 254 mm MP Filtri Kus
  • Těleso filtru
  • Filtrační vložka
25 µm Nominální 114 mm Kov -25 °C 60 l/min 100 °C 1-1/2 Inch