AgroBox

Sací filtr

Parametry produktu

Číslo položky SF2504SM25
Jednotka Kus
Značka MP Filtri
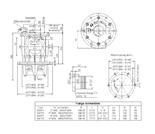
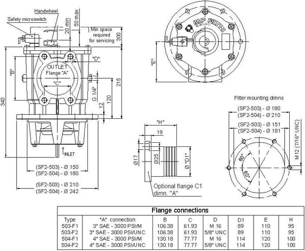
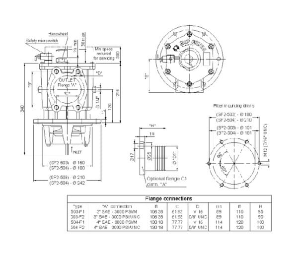
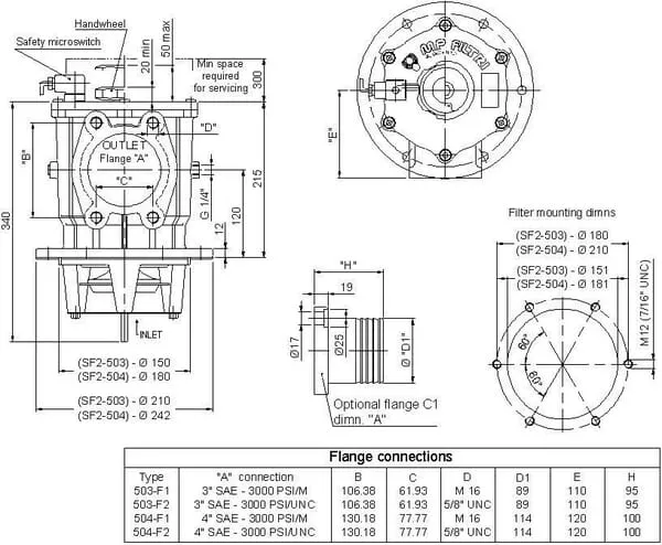
Popis výrobku Sací filtry řady SF2-500-540 jsou určeny k horizontální instalaci do nádrže pod hladinou oleje. Těleso filtru je vybaveno uzavíracím ventilem s ručním kolečkem, který umožňuje výměnu filtrační vložky bez nutnosti vyprázdnění nádrže. Aby se zabránilo nechtěnému spuštění, když není membrána otevřená, je k dispozici volitelný bezpečnostní spínač.
Výhody
  • Chrání čerpadla před hrubými nečistotami
  • Výměna filtrů bez nutnosti vyprázdnění nádrže
Podrobnosti
  • Použití: sací filtr
  • Montáž na nádrž, pod hladinou oleje
  • V kombinaci s filtračními vložkami typu SF
  • Materiál: hliník
  • Médium: vhodné pro minerální oleje
  • Teplota: -25° C až +110° C
  • Filtrace z vnitřku ven
  • Průtok až 850 l/min závisí na velikosti sestavy a výběru filtru
  • Kovové (M) filtrační vložky jsou k dispozici jako M25 / M60 / M90 / M250
  • Těsnění NBR; Viton na vyžádání
  • Vybaveno integrovaným ventilem, takže při výměně filtru nedochází ke ztrátě oleje
  • Tyto sací filtry nelze vybavit obtokovým ventilem
  • Vybaveno magnetickým jádrem k zachycení kovových částic
  • S = bez mikrospínače, bez ručního kolečka
  • D = s mikrospínačem a ručním kolečkem
  • C= s mikrospínačem, bez ručního kolečka
Obsah balení
  • Těleso filtru
  • Filtrační vložka
Médium Hydraulický olej
Úroveň filtrace Nominální
Mikronový filtr 25 µm
Obtok Ne
Filtrační materiál Kov
Výška 108 mm
Vnější průměr 180 mm
Min. rychlost průtoku 230 l/min
Průměr závitu portu výstupu 4 Inch
Min. provozní teplota -25 °C
Maximální pracovní teplota 100 °C

14 632,89 Kč s DPH

12 093,30 Kč bez DPH

Skladem