AgroBox

Rychlospojka válce CWV3

Parametry produktu

Číslo položky D4060110CWV3
Jednotka Kus
Značka Kramp
Kategorie použití Rychlospojky
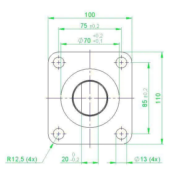
Průměr tyče 40 mm
Typ Dvojčinné
Zdvih 110 mm
Min. délka 328 mm
Max. pracovní tlak 250 BAR
Typ upevnění – připojení válce Příruba
Montážní průměr – připojení válce 13 mm
Typ upevnění – připojení tyče Vývrt
Průměr montážního otvoru – připojení tyče 18 mm
Vnější průměr hlavy válce 110 mm
Délka hlavy válce 100 mm
Jmenovitý tlak 250 BAR
Originální číslo 169-0329
Délka válce bez tyče 210 mm
Vnitřní průměr válce 60 mm
Vzdálenost středu montážního otvoru ke středu tyče 85 mm

7 504,96 Kč s DPH

6 202,45 Kč bez DPH

Skladem