Ruční čerpadlo s nádrží HP12.1M
Parametry produktu
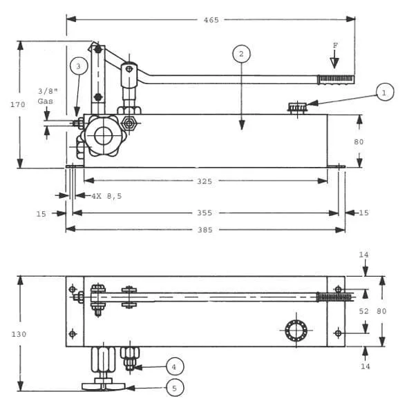
| Technická informace | Jednočinné ruční čerpadlo se zabudovaným ventilem omez. tlaku, nádrží na olej a omezovacím ventilem |
|---|
Tento produkt má několik variant. Vyberte prosím konkrétní variantu z tabulky níže.
Dostupné varianty produktu
| Produkt | Košík | Cena | Značka | Hmotnost | Jednotka | Typ ventilu | Vhodné pro | Pracovní typ | Celková délka | Objem nádržky | Zdvihový objem | Celková výška | Pojistný ventil | Celková šířka | Max. přívodní tlak | Typ závitu připojení č. 1 | Průměr závitu připojení č. 1 | Vzdálenost montážních otvorů v délce | Vzdálenost montážních otvorů na šířku |
|---|---|---|---|---|---|---|---|---|---|---|---|---|---|---|---|---|---|---|---|
Ruční čerpadlo s nádrží
HP121M
|
6 772,67 Kč
5 597,25 Kč bez DPH
|
Gasparini | 6,5 kg | Kus | Spouštěcí ventil | Jednočinné válce | Jednočinné | 385 mm | 1,2 l | 2,8 cm³ | 170 mm | Ano | 80 mm | 370 BAR | BSP | 3/8 Inch | 355 mm | 52 mm |