AgroBox

Regul. ventil 18-513-AE SC01

Parametry produktu

Číslo položky SD52003AEKIT
Jednotka Kus
Značka Walvoil
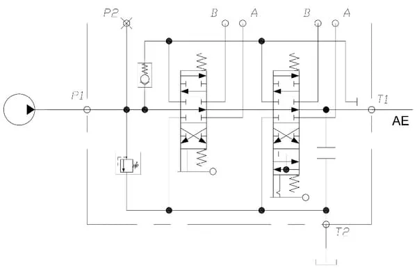
Popis výrobku Ruční monoblokové ventily Walvoil jsou určeny pro hydraulické sestavy se středními průtoky a tlaky oleje, zejména v odvětvích, jako je zemědělství, vinařství a komunální služby. Často se používají jako ovládací ventily válců a motorů na přívěsech, štípačích dřeva apod.
Podrobnosti
  • Hlavní omezovací ventil tlaku a zpětný ventil v P-kanálu
  • Maximální provozní tlak: paralelní okruh typu SD5/2–P: 315 barů
  • Průtok až 45 l/min.
  • Maximální zpětný tlak: 25 barů
  • Průměr pístu 16 mm s délkou zdvihu 37 mm
Obsah balení
  • Regulační ventil SD5-2
  • Nástavbová sada AK-95
  • – Dvouosá páka SC-01
  • Ovládací kabel AKCZ je třeba objednat zvlášť
Maximální průtok 45 l/min
Počet sekcí 2
Typ ovládání Ruční ovládání
Spojuje a odpojuje kód 1-8 + 5DY-13NZ
Možnost výstupního portu Rozpěrný kroužek
Tlakový port P – Průměr závitu 3/8 Inch
Tlakový port P – Typ závitu BSP
Průměr závitu pracovních portů 3/8 Inch
Typ vlákna BSP
Port nádrže T – Průměr závitu 3/8 Inch
Port nádrže T – Typ závitu BSP
Řada ventilů SD5
Kód modelu SD5/2-P(KG3-120)/18L/5DY13NZL/AE
Maximální pracovní tlak 315 BAR
Přetlakový ventil 50-220 BAR
Max. tlak ve vratném potrubí 25 BAR
Typ seřízení Šroub s vnitřním šestihranem
Těsnicí materiál Nitrilová pryž [NBR]
Max. průsak 3 cm³/min
Min. teplota média -20 °C
Max. teplota média 80 °C
Nastavení Pomocí šestihranného šroubu
Těsnění materiálu Nitrilový kaučuk (NBR)
PL & ST 1-8 x 5-13
Provedení 2 oddíly

12 897,39 Kč s DPH

10 659,00 Kč bez DPH

Skladem