AgroBox

Redukce se svěrným šroubem, vnější 1 3/8″ (6), vnitřní 40 mm

Parametry produktu

Číslo položky 6710184KR
EAN 8716106314744
Jednotka Kus
Značka Kramp
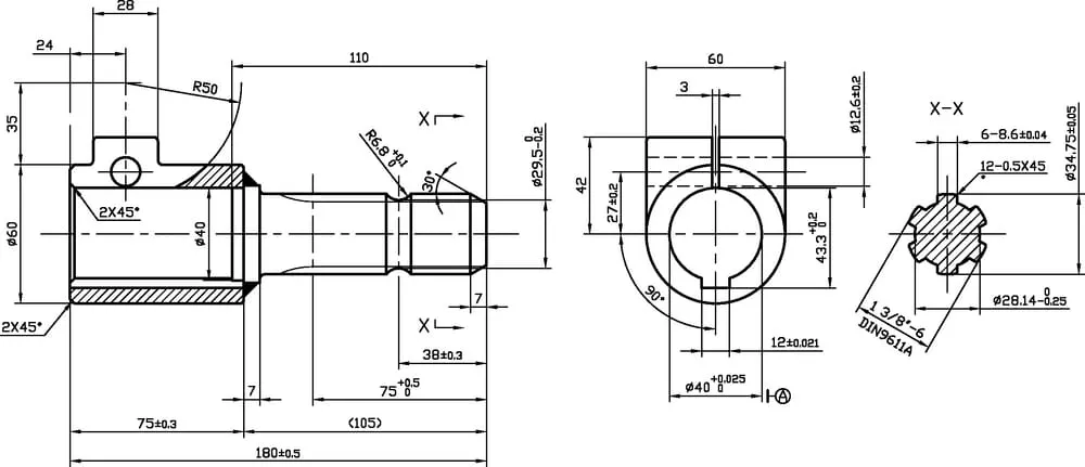
Popis výrobku Adaptéry pro kloubové hřídele
Podrobnosti
  • Max. 5 % bílé rzi po 72hodinové zkoušce solnou mlhou podle normy ASTM B117-97
  • Nesmí se používat v hlavním pohonu mezi traktorem a strojem
D1Vnější průměr přípojky č. 1 1-3/8 Inch
Počet drážek u připojení č. 1 6
d1Vnitřní montážní průměr 40 mm
LCelková délka 180 mm
bŠířka drážky 12 mm
Materiál Ocel S355
Max. výkon 30 kW
Poznámka Nesmí být použito pro redukci mezi vývodovou hřídelí traktoru a kloubovou hřídelí. kW

4 128,40 Kč s DPH

3 411,90 Kč bez DPH

Skladem