AgroBox

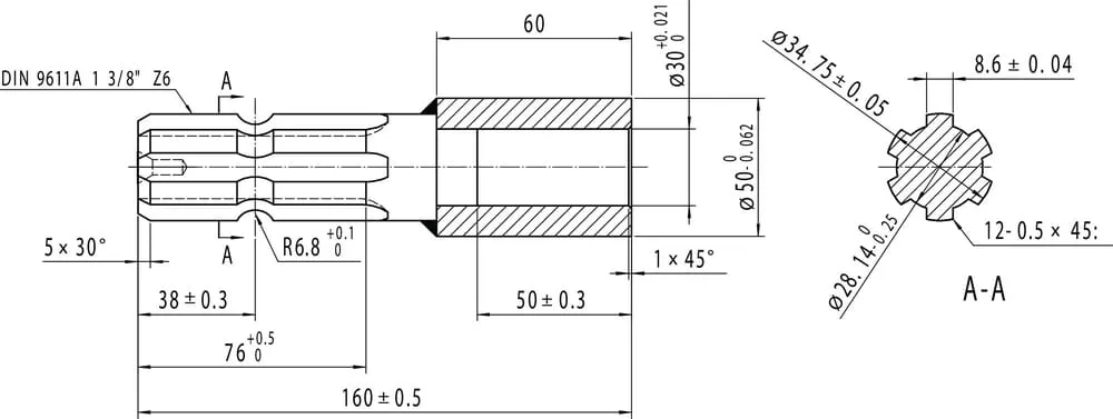
Redukce 30mm-1 3/8

Parametry produktu

Číslo položky 671007KR
EAN 8716106071708
Jednotka Kus
Značka Kramp
D1Vnější průměr přípojky č. 1 1-3/8 Inch
Počet drážek u připojení č. 1 6
d1Vnitřní montážní průměr 30 mm
LCelková délka 165 mm
Materiál
  • Ocel 42CrMo4
  • Ocel S355
Max. výkon 30 kW
Poznámka Lze použít jen na straně stroje, ne jako vývodová hřídel traktoru. kW

783,72 Kč s DPH

647,70 Kč bez DPH

Skladem