AgroBox

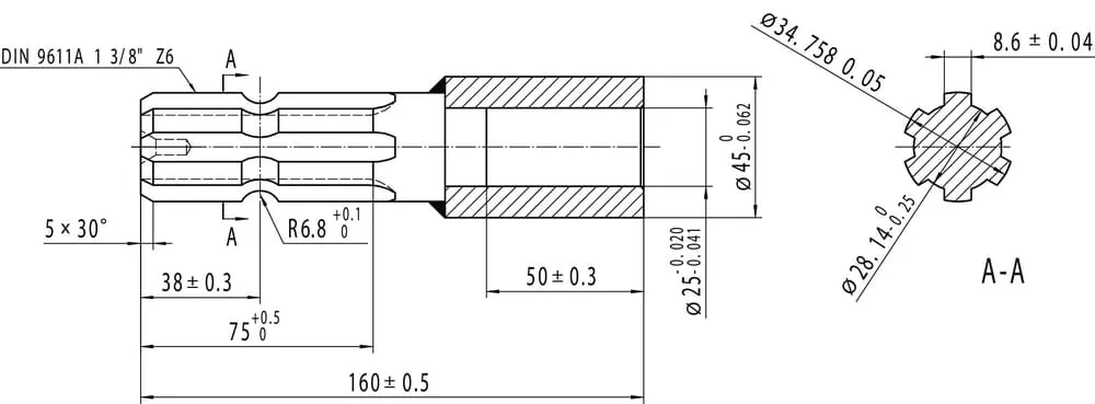
Redukce 25mm-1 3/8

Parametry produktu

Číslo položky 671010KR
EAN 8716106071692
Jednotka Kus
Značka Kramp
D1Vnější průměr přípojky č. 1 1-3/8 Inch
Počet drážek u připojení č. 1 6
d1Vnitřní montážní průměr 25 mm
LCelková délka 160 mm
Materiál
  • Ocel 42CrMo4
  • Ocel S355
Max. výkon 30 kW
Poznámka Lze použít jen na straně stroje, ne jako vývodová hřídel traktoru. kW

1 113,87 Kč s DPH

920,55 Kč bez DPH

Skladem