AgroBox

Redukce

Parametry produktu

Číslo položky 6710216HIKR
EAN 8716106314737
Jednotka Kus
Značka Kramp
Použití Aplikace poháněné kloubovým hřídelem
Vlastnosti
  • Max. 5 % bílé koroze po 72 hodinách testu v solné mlze dle ASTM B117-97
  • Dle bezpečnostní normy EN12965 nesmí být použito na straně traktoru
  • Nesmí být použito pro redukci mezi vývodovou hřídelí traktoru a kloubovou hřídelí
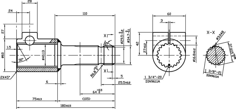
Technická informace
  • Vnější = M
  • Vnitřní= F
D1Vnější průměr přípojky č. 1 1-3/8 Inch
Počet drážek u připojení č. 1 21
Počet drážek u připojení č. 2 20
LCelková délka 170 mm
Max. výkon 30 kW
Materiál Ocel S355
Poznámka Nesmí být použito pro redukci mezi vývodovou hřídelí traktoru a kloubovou hřídelí. kW

898,91 Kč s DPH

742,90 Kč bez DPH

Skladem