AgroBox

Redukce 1 3/4-1 3/8

Parametry produktu

Číslo položky 671006KR
EAN 8716106071678
Jednotka Kus
Značka Kramp
Použití Aplikace poháněné kloubovým hřídelem
Vlastnosti
  • Max. 5 % bílé koroze po 72 hodinách testu v solné mlze dle ASTM B117-97
  • Dle bezpečnostní normy EN12965 není použití na straně traktoru přípustné
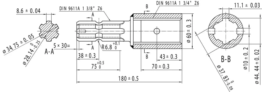
D1Vnější průměr přípojky č. 1 1-3/8 Inch
Počet drážek u připojení č. 1 6
d1Vnitřní průměr připojení č. 2 1-3/4 Inch
LCelková délka 185 mm
Max. výkon 30 kW
Průměr montážních otvorů 10 mm
Materiál Ocel S355
Poznámka Lze použít jen na straně stroje, ne jako vývodová hřídel traktoru. kW

725,27 Kč s DPH

599,40 Kč bez DPH

Skladem