AgroBox

Redukce 1 1/8-1 3/8

Parametry produktu

Číslo položky 671000KR
EAN 8716106071661
Jednotka Kus
Značka Kramp
Použití Aplikace poháněné kloubovým hřídelem
Vlastnosti
  • Max. 5 % bílé koroze po 72 hodinách testu v solné mlze dle ASTM B117-97
  • Dle bezpečnostní normy EN12965 není použití na straně traktoru přípustné
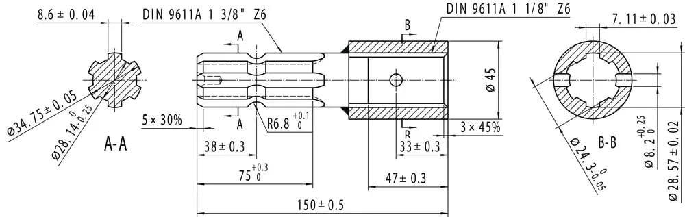
D1Vnější průměr přípojky č. 1 1-3/8 Inch
Počet drážek u připojení č. 1 6
d1Vnitřní průměr připojení č. 2 1-1/8 Inch
Počet drážek u připojení č. 2 6
LCelková délka 150 mm
Max. výkon 30 kW
Průměr montážních otvorů 8,2 mm
Materiál Ocel S355
Poznámka Lze použít jen na straně stroje, ne jako vývodová hřídel traktoru. kW
D2Vnější průměr 45 mm

1 037,82 Kč s DPH

857,70 Kč bez DPH

Skladem