AgroBox

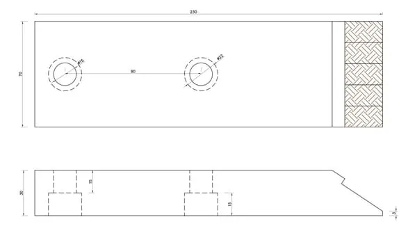
Radlice kultivátoru 230x70x30 mm, tvrzená, plochá, 2 otvory, vhodná pro Duro

Parametry produktu

Číslo položky CP2507030CN
EAN 8716106933426
Jednotka Kus
Značka Kramp
Výhody
  • Životnost je 3 až 7krát delší než u standardních dílů
  • Vysoká odolnost proti oděru
  • Nenáročná údržba
  • Technologie HR je tvořena ze 100 % zrny karbidu wolframu, což znamená až o 60 % delší životnost než u tvrdokovů s karbidem chromu
Podrobnosti
  • HR / SHCN: Náhradní díl zesílený navařením karbidových destiček a povlakem karbidu wolframu po celé délce dílu
  • R / CN: Náhradní díl zesílený navařením karbidových destiček a pochromováním po celé délce dílu
  • CKR: Pracovní část vyztužená navařením karbidových destiček
Počet montážních otvorů 2
Šířka 70 mm
Montážní strana n/a
Tloušťka 30 mm
Min vzdálenost montážních šroubů 90 mm
Max vzdálenost montážních šroubů 90 mm
Délka 230 mm
Vhodné pro značku Duro
Materiál Karbidový kov
Typ Plochý
Typ dodatečné ochrany proti opotřebení Karbidové destičky
Tvrzené Ano
Oboustranné Ne

2 539,55 Kč s DPH

2 098,80 Kč bez DPH

Skladem