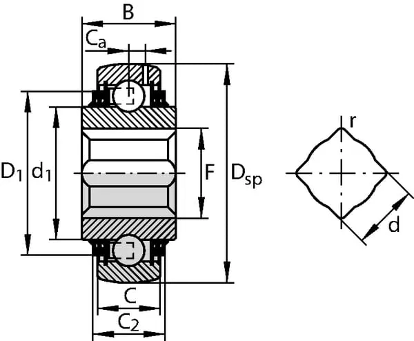
Radiální kuličkové ložisko pro bránové kotouče, čtyřhranné vrtání náboje, řada GVK
Parametry produktu
Tento produkt má několik variant. Vyberte prosím konkrétní variantu z tabulky níže.
Dostupné varianty produktu
| Produkt | Košík | Cena | Značka | Hmotnost | Jednotka | Výrobce | BŠířka | FVnitřní průměr | Originální číslo | DspVnější průměr | FVnitřní průměr # | Max. pracovní teplota | Max. rychlost otáček | Min. provozní teplota | Ref. rychlost otáčení | Vnější kroužek šířka | Vnitřní průměr vnějšího kroužku | Základní osové zatížení dynamické | Základní radiální únosnost statická | d1Vnější průměr vnitřního kroužku |
|---|---|---|---|---|---|---|---|---|---|---|---|---|---|---|---|---|---|---|---|---|
Ložisko 1-9/16 "x100x36 mm INA/FAG
GVK109211KTTBAS2V
|
3 544,21 Kč
2 929,10 Kč bez DPH
|
INA | 0,107 kg | Kus | Schaeffler | 36 mm | 39,688 mm | GVK109-211-KTT-B | 100 mm | 1-9/16 Inch | 100 °C | 8000 r/min | -20 °C | 450 r/min | 25 mm | 85,8 mm | 46000 N | 29000 N | 69,8 mm |