AgroBox

Prodloužení 1 3/8

Parametry produktu

Číslo položky 672001KR
EAN 8716106071609
Jednotka Kus
Značka Kramp
Použití Aplikace poháněné kloubovým hřídelem
Vlastnosti
  • Max. 5 % bílé koroze po 72 hodinách testu v solné mlze dle ASTM B117-97
  • Dle bezpečnostní normy EN12965 není použití na straně traktoru přípustné
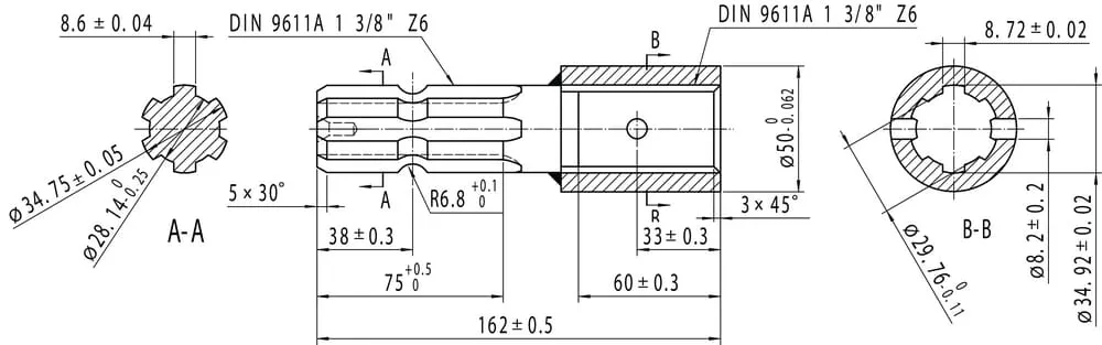
Počet drážek u připojení č. 1 6
d1Vnitřní průměr připojení č. 2 1-3/8 Inch
Počet drážek u připojení č. 2 6
LCelková délka 170 mm
Max. výkon 30 kW
Materiál Ocel S355
Poznámka Lze použít jen na straně stroje, ne jako vývodová hřídel traktoru. kW

927,71 Kč s DPH

766,70 Kč bez DPH

Skladem